您好,欢迎进入格鲁夫机械设备制造有限公司官网!
减速机|丝杆升降机|减速电机|行业专用减速机|减速机配件|减速机厂|丝杆升降机厂|转向器厂

联系我们

邮箱:china@gelufu.com
电话:0312-6784766
在线咨询

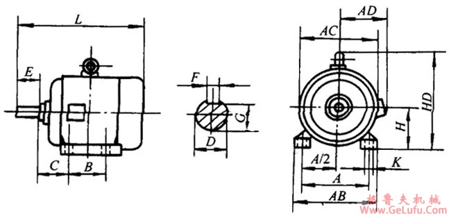
YGD型三相异步电动机(H250~315mm)外形及安装尺寸

发布日期:2023-12-28 21:50 浏览次数:

YGD型三相异步电动机(H250~315mm)外形及安装尺寸(图1)

微信:grove_company

邮箱:china@gelufu.com

YGD型三相异步电动机(H250~315mm)外形及安装尺寸

格鲁夫减速机

YGD型三相异步电动机(H250~315mm)外形及安装尺寸(图2) mail:china@gelufu.com

YGD型外形尺寸图(见表2)
表2 (单位:mm)

中心高
极数
A
B
C
D
E
F
G
H
K
AB
AC
AD
HD
L
250M
4、6
406
349
168
65
140
18
58
250
24
490
495
385
575
930
280S
4、6
457
368
190
75
140
20
67.5
280
24
550
555
410
640
1000
280M
4、6
457
419
190
75
140
20
67.5
280
24
550
555
410
640
1050
315S
4、6
508
406
216
80
170
22
71
315
28
744
645
575
865
1270
315M
4、6
508
457
216
80
170
22
71
315
28
744
645
576
865
1340

格鲁夫机械

Copyright © 2023-2025 格鲁夫 版权所有 备案号:冀ICP备19023093号-2

电子营业执照图标 电子营业执照
选择语言
Hello,欢迎来咨询~