WX:grove_company

|
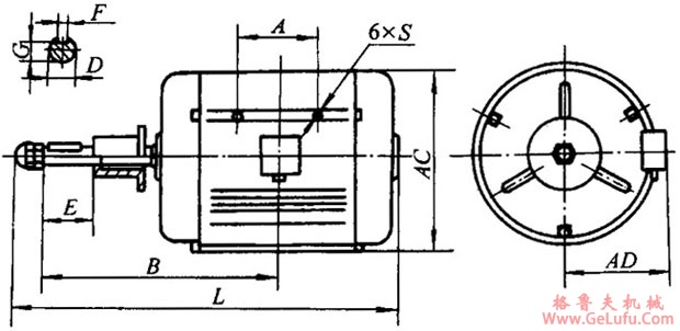
型号 |
极数 |
A |
B |
E |
AD |
G |
F |
D |
L |
AC |
S | |
|
长轴 |
短轴 | |||||||||||
|
YLZ90S |
6 |
85 |
200 |
160 |
50 |
160 |
20 |
8 |
21 |
355 |
175 |
M8 |
|
YLZ90L |
110 |
212.5 |
172.5 |
380 | ||||||||
|
YLZ100L |
6、8 |
235 |
195 |
60 |
180 |
21 |
28 |
425 |
215 |
M10 | ||
|
YLZ112M |
238 |
203 |
190 |
435 |
240 |
M12 | ||||||
|
YLZ132S |
6、8、12 |
150 |
303.5 |
213.5 |
80 |
210 |
33 |
10 |
38 |
435 |
275 | |
|
YLZ132M |
322.5 |
262.5 |
535 | |||||||||
|
YLZ160M |
6、8、12、16 |
377 |
― |
110 |
265 |
37 |
12 |
42 |
668 |
335 |
M16 | |
|
YLZ160L |
399 |
712 | ||||||||||
|
YLZ180M |
400.5 |
285 |
42.5 |
14 |
48 |
― |
370 |
M20 | ||||
|
YLZ180L |
419.5 |
― | ||||||||||
|
YLZ200L |
6、8、12、16、20 |
446 |
315 |
49 |
16 |
55 |
― |
410 |
M24 | |||
|
型号 |
凸缘号 |
极数 |
P |
N |
E |
R |
M |
D |
G |
F |
L |
AD |
S |
凸缘
孔数 |
AC |
|
YLZ132S |
FF325 |
4、6、8、12 |
φ350 |
φ278 |
40 |
20 |
φ325 |
38 |
33 |
10 |
395 |
210 |
13.5 |
4 |
275 |
|
YLZ132M |
433 | ||||||||||||||
|
YLZ160M |
4、6、8、12 |
42 |
37 |
12 |
495 |
265 |
335 | ||||||||
|
YLZ160L |
545 | ||||||||||||||
|
YLZ180M |
FF350 |
φ400 |
φ300 |
110 |
0 |
φ350 |
48 |
42.5 |
14 |
575 |
285 |
16 |
375 | ||
|
YLZ180L |
615 | ||||||||||||||
|
YLZ180L |
FF510 |
4 |
φ500 |
φ455 |
70 |
20 |
φ510 |
55 |
49 |
16 |
595 |
285 |
8 | ||
|
YLZ200L |
4、6、8、12 |
655 |
315 |
410 |