手机:13331225020
|
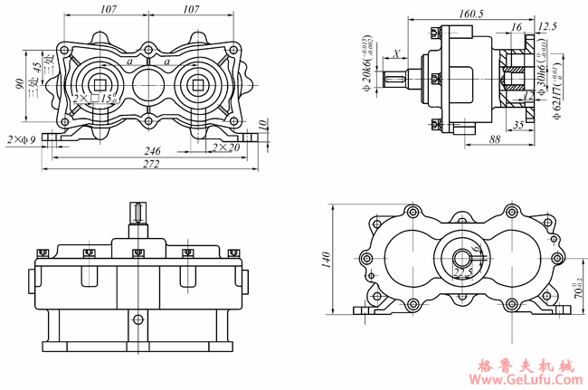
产品型号 |
AJ48 |
AJ48 |
AJ48C1注 |
AJ48B |
|
所配功率 |
1.1 |
1.1 |
1.1 |
1.1 |
|
速比 |
2.38 |
3.05 |
2.29 |
3.05 |
|
输入轴长度X |
29 |
29 |
29 |
63 |
|
中心距a |
62.5 |
62.5 |
65 |
62.5 |
