您好,欢迎进入格鲁夫机械设备制造有限公司官网!
减速机|丝杆升降机|减速电机|行业专用减速机|减速机配件|减速机厂|丝杆升降机厂|转向器厂

联系我们

邮箱:china@gelufu.com
电话:0312-6784766
在线咨询

齿轮减速机

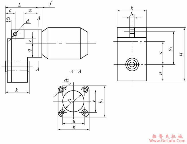
QS06、QS08、QS10、QS12、QS16、型起重机“三合一”运行机构用减速机的外形尺寸和安装尺寸(ZBJI19027)

发布日期:2023-12-28 18:52 浏览次数:

QS06、QS08、QS10、QS12、QS16、型起重机“三合一”运行机构用减速机的外形尺寸和安装尺寸(ZBJI19027)(图1) fax:0312-6784733

QS型起重机“三合一”运行机构用减速器(ZBJI19027)的外形尺寸和安装尺寸

格鲁夫减速机

QS06、QS08、QS10、QS12、QS16、型起重机“三合一”运行机构用减速机的外形尺寸和安装尺寸(ZBJI19027)(图2) www.gelufu.com.cn

QS型减速器外形尺寸和安装尺寸 (mm)

机座代号
a
H
a1
b
b0
b1
c
D
(H7)
d1
d2
L
k
e1
e2
f
n
q
r
u
V
重量/kg
06
125
175
75
168
20
160
67
φ148
φ14
M10
215
161
42
80
24
23
17
80
70
29
128
120
27.1
08
160
358
230
210
20
200
82.75
φ170
φ20
M10
235.75
188
47.75
73.5
37
49
96
100
40
154
154
42.6
10
200
452
297
274
25
250
88
φ226
φ22
M12
261
208
53
84
31.5
44.5
46
127
125
51
210
186
72.8
12
250
566
360
346
30
312
92.25
φ280
φ22
M16
307.25
255
61.25
88
39.5
55.5
57
76.5
160
156
55
274
240
141.3
16
315
705
440
400
40
340
115.75
φ280
φ40
M16
331.25
264
65.75
100
59
76
220
170
75
320
260
210.0
传真:0312-6784733

Copyright © 2023-2025 格鲁夫 版权所有 备案号:冀ICP备19023093号-2

电子营业执照图标 电子营业执照
选择语言
Hello,欢迎来咨询~