微信:grove_company
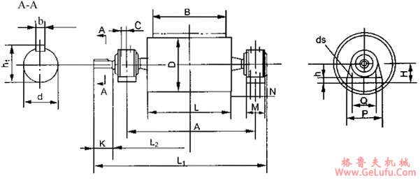
主要安装尺寸表
QQ:20275456
TMF新型输送机械驱动系统主要安装尺寸 QQ:47447450
电话:0312-6784766
|
B |
D |
A |
L |
L2 |
M |
N |
Q |
P |
H |
h |
L1 |
k |
h1 |
d |
b |
ds |
许用扭矩(公斤厘米) | |
|
光面
滚筒 |
胶面
滚筒 | |||||||||||||||||
|
500 |
500 |
850 |
600 |
505.5 |
70 |
- |
280 |
340 |
100 |
33 |
与TMG悬挂式齿轮减速机装配 |
φ27 |
16300 |
25000 | ||||
|
650 |
500 |
1000 |
750 |
588.5 |
90 |
- |
350 |
410 |
120 |
33 |
φ27 |
21200 |
32600 | |||||
|
630 |
29600 |
45400 | ||||||||||||||||
|
800 |
500 |
1300 |
950 |
738.5 |
90 |
- |
350 |
410 |
120 |
33 |
φ27 |
26200 |
40100 | |||||
|
630 |
771 |
130 |
80 |
380 |
460 |
140 |
33 |
36700 |
56100 | |||||||||
|
800 |
55900 |
85500 | ||||||||||||||||
|
1000 |
630 |
1500 |
1150 |
871 |
130 |
80 |
380 |
460 |
140 |
33 |
φ27 |
45700 |
70100 | |||||
|
800 |
900 |
160 |
90 |
440 |
530 |
160 |
53 |
φ30 |
69600 |
106800 | ||||||||
|
1000 |
930 |
170 |
100 |
480 |
570 |
180 |
53 |
- |
177500 | |||||||||
|
1200 |
630 |
1750 |
1400 |
1025 |
160 |
90 |
440 |
530 |
160 |
53 |
φ34 |
54900 |
84000 | |||||
|
800 |
83700 |
128100 | ||||||||||||||||
|
1000 |
1055 |
170 |
100 |
480 |
570 |
180 |
53 |
- |
21300 | |||||||||
|
1250 |
1065 |
160 |
110 |
540 |
630 |
200 |
63 |
- |
300000 | |||||||||
|
1400 |
800 |
2000 |
1600 |
1150 |
160 |
90 |
440 |
530 |
160 |
53 |
φ34 |
97600 |
149200 | |||||
|
1000 |
1190 |
180 |
110 |
540 |
630 |
200 |
63 |
- |
249250 | |||||||||
|
1250 |
- |
350000 | ||||||||||||||||
|
1400 |
1200 |
200 |
120 |
590 |
680 |
220 |
63 |
φ40 |
- |
470000 | ||||||||