您好,欢迎进入格鲁夫机械设备制造有限公司官网!
减速机|丝杆升降机|减速电机|行业专用减速机|减速机配件|减速机厂|丝杆升降机厂|转向器厂

联系我们

邮箱:china@gelufu.com
电话:0312-6784766
在线咨询

行业专用减速机

TJ型电动滚筒的技术规格参数(直径110~160mm)

发布日期:2023-12-28 20:32 浏览次数:

TJ型电动滚筒的技术规格参数(直径110~160mm)(图1)

Mobile:13331225020

●滚筒名义直径 Ø110mm●

TJ型电动滚筒的技术规格参数(直径110~160mm)(图2)

gelufu.com

A=B+56配KL30型支座

功率kw
带速m/s
最小筒宽B・min/mm
最大筒宽B・max/mm
滚筒重量Kg
最小筒宽
每增加100mm
0.10
0.15
250
750
9.5
1.5
0.15
0.25
0.225
0.50

微信:grove_company

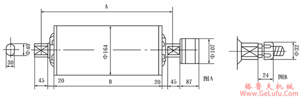
● 滚筒名义直径 Ø135mm●

TJ型电动滚筒的技术规格参数(直径110~160mm)(图3) 格鲁夫机械

A=B+56配KL30型支座
功率kw
带速m/s
最小筒宽B・min mm
最大筒宽 B・max mm
滚筒重量Kg
最小筒宽
每增加100mm
0.18
0.16
300
950
22.5
2.0
0.25
0.20 0.25
0.37
0.32 0.40 0.50
0.55
0.63 0.80 1.00
注:图A为接线盒接线装置 图B是软线接线装置
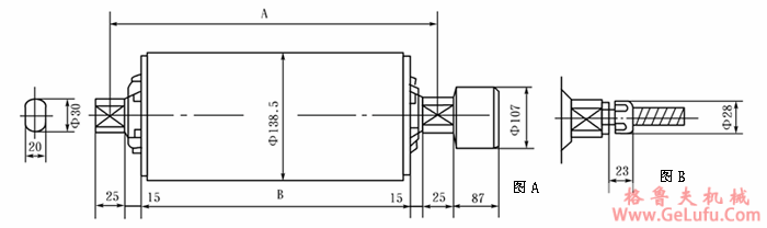
● 滚筒名义直径 Ø160mm ●

TJ型电动滚筒的技术规格参数(直径110~160mm)(图4)

gelufu.com

A=B+82配KL40型支座
功率 kw
带速 m/s
最小筒宽B・min mm
最大筒宽 B・max mm
滚筒重量Kg
最小筒宽
每增加100mm
0.11
0.06 0.08 0.10
400
950
32.5
2.5
0.25
0.10 0.13 0.16 0.20
0.25 0.32 0.40 0.50
0.37
0.13 0.16 0.20 0.25
0.32 0.40 0.50 0.63
0.80 1.00
0.75
0.25 0.32 0.40 0.50
0.63 0.80 1.00
35.5
1.10
0.40 0.50 0.63 0.80
1.00 1.25 1.60 2.00
37
注:图A为接线盒接线装置 图B是软线接线装置

QQ:20275456

Copyright © 2023-2025 格鲁夫 版权所有 备案号:冀ICP备19023093号-2

电子营业执照图标 电子营业执照
选择语言
Hello,欢迎来咨询~