您好,欢迎进入格鲁夫机械设备制造有限公司官网!
减速机|丝杆升降机|减速电机|行业专用减速机|减速机配件|减速机厂|丝杆升降机厂|转向器厂

联系我们

邮箱:china@gelufu.com
电话:0312-6784766
在线咨询

行业专用减速机

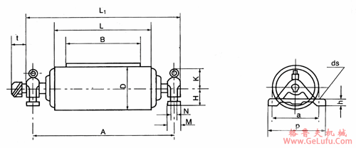
YD油冷式电动滚筒安装尺寸表

发布日期:2023-12-28 20:32 浏览次数:

YD油冷式电动滚筒安装尺寸表(图1) 格鲁夫丝杆升降机

Tel:0312-6784766

YD油冷式电动滚筒安装尺寸表 邮箱:china@gelufu.com

YD油冷式电动滚筒安装尺寸表(图2) gelufu

D
B
A
L
L1
t
H
K
M
N
P
a
h
ds
320
500
850
600
940
95
120
105
90
340
280
35
27
650
1000
750
1090
400
500
850
600
940
125
650
1000
750
1090
100
500
500
850
600
960
115
120
145
70
620
90
650
1000
750
1120
800
1300
950
1420
120
630
650
1000
750
1120
140
175
800
1300
950
1430
130
80
400
330
1000
1500
1150
1630
160
1200
1750
1400
1880
160
90
440
360
50
34
gelufu

gelufu.com

Copyright © 2023-2025 格鲁夫 版权所有 备案号:冀ICP备19023093号-2

电子营业执照图标 电子营业执照
选择语言
Hello,欢迎来咨询~