邮箱:china@gelufu.com
WD型外装式电动滚筒安装尺寸 gelufu.com.cn
www.gelufu.com.cn
|
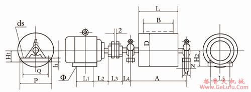
D |
电机 |
B |
A |
L |
R |
Z |
H1 |
H2 |
M1 |
N1 |
P |
Q |
h |
ds |
M2 |
N2 |
e |
|
型号功率(KW) | |||||||||||||||||
|
400 |
100L1-4 2.2
100L2-4 3.0
112M-4 4.0
112M-6 2.2 |
400 |
750 |
500 |
|
320~340 |
120 |
180 |
90 |
0 |
340 |
280 |
30 |
φ27 |
160 |
90 |
35 |
|
500 |
850 |
600 |
237 | ||||||||||||||
|
650 |
1000 |
750 | |||||||||||||||
|
132S-6 3.0
132M1-6 4.0
132S-4
132M2-6 5.5 |
500 |
850 |
600 |
257 |
395~435 | ||||||||||||
|
650 |
1000 |
750 | |||||||||||||||
|
800 |
1300 |
950 | |||||||||||||||
|
500 |
100L2-4 3.0
112M-4 4.0 |
400 |
750 |
500 |
237 |
320~340 |
|
|
|
|
|
|
|
|
|
|
|
|
500 |
850 |
600 | |||||||||||||||
|
650 |
1000 |
750 | |||||||||||||||
|
800 |
1300 |
950 | |||||||||||||||
|
132S-6 3.0
132M1-6 4.0
132M2-6 5.5
132M-4 7.5 |
400 |
750 |
500 |
257 |
395~435 |
140 |
220 |
150 |
80 |
400 |
330 |
38 |
φ27 |
200 |
110 |
35 | |
|
500 |
850 |
600 | |||||||||||||||
|
600 |
1000 |
750 | |||||||||||||||
|
800 |
1300 |
950 | |||||||||||||||
|
160M-6 7.5
160L-6 11.0
160L-4
180L-6 15.0 |
500 |
850 |
600 |
287 |
495~600 | ||||||||||||
|
650 |
1000 |
750 | |||||||||||||||
|
800 |
1300 |
950 | |||||||||||||||
|
1000 |
1500 |
1150 | |||||||||||||||
|
630 |
132M1-6 4.0
132M2-6 5.5 |
650 |
1000 |
750 |
257 |
395~435 | |||||||||||
|
800 |
1300 |
950 | |||||||||||||||
|
1000 |
1500 |
1150 | |||||||||||||||
|
160M-6 7.5
160L-6 11.5
180L-6 15.0 |
650 |
1000 |
750 |
287 |
495~600 | ||||||||||||
|
800 |
1300 |
950 | |||||||||||||||
|
1000 |
1500 |
1150 | |||||||||||||||
|
1200 |
1750 |
1400 | |||||||||||||||
|
200L1-6 18.5
200L2-6 22.0
200L-4 30.0 |
800 |
1300 |
950 |
665 | |||||||||||||
|
1000 |
1500 |
1150 | |||||||||||||||
|
1200 |
1750 |
1400 | |||||||||||||||
|
1400 |
2000 |
1600 | |||||||||||||||
|
800 |
160M-6 7.5
160L-6 11.5
180L-6 15.0 |
800 |
1300 |
950 |
287 |
495~600 |
160 |
220 |
160 |
90 |
440 |
360 |
50 |
φ34 |
200 |
110 |
20 |
|
1000 |
1500 |
1150 | |||||||||||||||
|
1200 |
1750 |
1400 | |||||||||||||||
|
200L1-6 18.5
200L2-6 22.0
200L-4 30.0 |
800 |
1300 |
950 |
665 | |||||||||||||
|
1000 |
1500 |
1150 | |||||||||||||||
|
1200 |
1750 |
1400 | |||||||||||||||
|
1400 |
2000 |
1600 |
gelufu
|
D |
功率
KW |
B |
A |
L |
L4 |
P |
Q |
h |
ds |
M |
N |
H1 |
|
630 |
30
37 |
650 |
1000 |
750 |
124 |
440 |
360 |
50 |
φ34 |
160 |
90 |
160 |
|
800 |
1300 |
950 | ||||||||||
|
1000 |
1500 |
1150 | ||||||||||
|
1200 |
1750 |
1400 | ||||||||||
|
1400 |
2000 |
1600 | ||||||||||
|
45 |
800 |
1300 |
950 | |||||||||
|
1000 |
1500 |
1150 | ||||||||||
|
1200 |
1750 |
1400 | ||||||||||
|
1400 |
2000 |
1600 | ||||||||||
|
800 |
37
45 |
800 |
1300 |
950 | ||||||||
|
1000 |
1500 |
1150 | ||||||||||
|
1200 |
1750 |
1400 | ||||||||||
|
1400 |
2000 |
1600 | ||||||||||
|
1600 |
2250 |
1800 | ||||||||||
|
55
75 |
1000 |
1500 |
1150 | |||||||||
|
1200 |
1750 |
1400 | ||||||||||
|
1400 |
2000 |
1600 | ||||||||||
|
1600 |
2250 |
1800 | ||||||||||
|
1000 |
45 |
800 |
1300 |
950 |
129 |
570 |
480 |
53 |
φ34 |
170 |
100 |
180 |
|
1000 |
1500 |
1150 | ||||||||||
|
1200 |
1750 |
1400 | ||||||||||
|
1400 |
2000 |
1600 | ||||||||||
|
1600 |
2250 |
1800 | ||||||||||
|
55
75
90
110 |
1000 |
1500 |
1150 | |||||||||
|
1200 |
1750 |
1400 | ||||||||||
|
1400 |
2000 |
1600 | ||||||||||
|
1600 |
2250 |
1800 | ||||||||||
|
1250 |
75
90
110
132 |
1200 |
1750 |
1400 |
134 |
630 |
540 |
63 |
φ34 |
180 |
110 |
200 |
|
1400 |
2000 |
1600 | ||||||||||
|
1600 |
2250 |
1800 | ||||||||||
|
1400 |
132
160
185
220 |
1400 |
2000 |
1600 |
144 |
690 |
590 |
73 |
φ40 |
200 |
120 |
220 |
|
1600 |
2250 |
1800 | ||||||||||
|
2000 |
2500 |
2200 |
www.gelufu.com.cn