Tel:0312-6784766
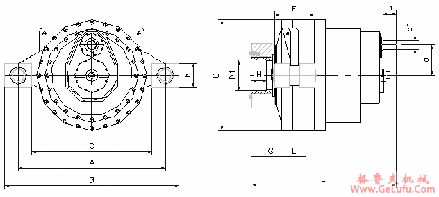
JLFD系列风力发电齿轮箱外形尺寸 QQ:47447450
QQ:20275456
|
序号 |
型号 |
尺寸 |
参考尺寸 |
重量
(kg) |
收缩
盘 |
润滑
方式 |
冷却
方式 |
油量
L/min | ||||||||||||
|
d1 |
L1 |
a |
L |
D |
D1 |
H |
G |
E |
A |
B |
C |
F |
h | |||||||
|
1 |
JLFD56 |
80 |
110 |
180 |
1035 |
730 |
200 |
190 |
240 |
100 |
1070 |
1370 |
770 |
440 |
300 |
1918 |
|
飞溅 |
自冷 |
|
|
2 |
JLFD63 |
90 |
120 |
200 |
1175 |
820 |
220 |
210 |
275 |
100 |
1200 |
1500 |
900 |
440 |
300 |
2441 |
|
飞溅 |
自冷 |
|
|
3 |
JLFD71 |
100 |
150 |
225 |
1345 |
900 |
250 |
240 |
325 |
100 |
1260 |
1560 |
960 |
440 |
300 |
3157 |
|
飞溅 |
自冷 |
|
|
4 |
JLFD80 |
110 |
150 |
250 |
1500 |
1000 |
280 |
270 |
365 |
120 |
1400 |
1740 |
1060 |
500 |
340 |
4433 |
|
强制润滑 |
风冷 |
63L/min |
|
5 |
JLFD90 |
110 |
150 |
280 |
1590 |
1100 |
280 |
270 |
380 |
120 |
1600 |
1940 |
1260 |
500 |
340 |
5435 |
|
强制润滑 |
风冷 |
63L/min |
|
6 |
JLFD100 |
110 |
150 |
315 |
1695 |
1200 |
280 |
295 |
400 |
120 |
1600 |
1940 |
1260 |
500 |
340 |
6153 |
|
强制润滑 |
风冷 |
63L/min |
|
7 |
JLFD112 |
110 |
150 |
355 |
1695 |
1300 |
330 |
305 |
400 |
120 |
1700 |
2040 |
1360 |
500 |
340 |
7065 |
|
强制润滑 |
风冷 |
63L/min |
|
8 |
JLFD125 |
120 |
160 |
400 |
1820 |
1480 |
400 |
330 |
444 |
130 |
1950 |
2350 |
1550 |
600 |
360 |
9011 |
|
强制润滑 |
风冷 |
125L/min |
|
9 |
JLFD140 |
130 |
180 |
450 |
2050 |
1640 |
450 |
330 |
515 |
130 |
2180 |
2580 |
1780 |
600 |
360 |
11970 |
|
强制润滑 |
风冷 |
125L/min |
|
10 |
JLFD150 |
130 |
180 |
500 |
2113 |
1770 |
520 |
410 |
520 |
130 |
2250 |
2650 |
1850 |
600 |
360 |
14293 |
|
强制润滑 |
风冷 |
125L/min |
|
11 |
JLFD160 |
|
|
|
|
|
|
|
|
|
|
|
|
|
|
|
|
|
|
|