您好,欢迎进入格鲁夫机械设备制造有限公司官网!
减速机|丝杆升降机|减速电机|行业专用减速机|减速机配件|减速机厂|丝杆升降机厂|转向器厂

联系我们

邮箱:china@gelufu.com
电话:0312-6784766
地址:莲池区焦庄乡 在线咨询

行星齿轮减速机

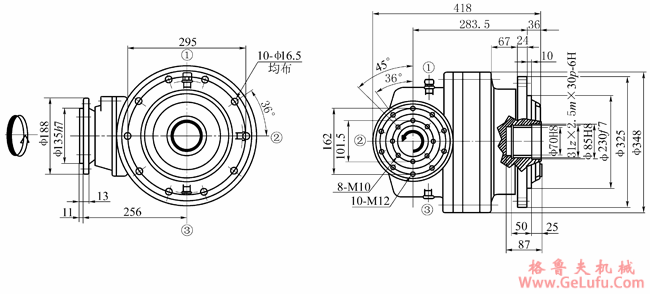
NS1.5-23.5锥齿轮行星齿轮减速机型式与尺寸

发布日期:2023-12-28 19:31 浏览次数:

NS1.5-23.5锥齿轮行星齿轮减速机型式与尺寸(图1)

手机:13331225020

NS1.5-23.5锥齿轮行星齿轮减速器型式与尺寸见下图 www.gelufu.com.cn

NS1.5-23.5锥齿轮行星齿轮减速机型式与尺寸(图2) www.gelufu.com.cn


①表示透气孔
②表示油位塞
③表示放油孔

格鲁夫丝杆升降机

Copyright © 2023-2025 格鲁夫 版权所有 备案号:冀ICP备19023093号-2

电子营业执照图标 电子营业执照