Tel:0312-6784766

|
机座号 |
输出扭矩
T2N
(N.m) |
渐开线花键实心输出轴 | |||||||||||
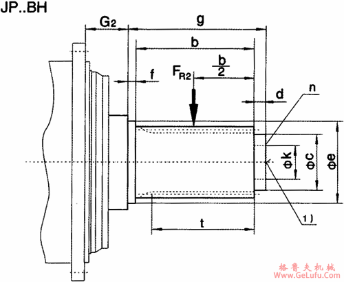
|
外花键规格
DIN54802) |
t |
b |
c
k6 |
d |
e
k6 |
f |
g |
k |
n |
G2 |
FR2 | ||
|
9
10
11 |
22000
31000
42000 |
130×5×30×24×8m
140×5×30×26×8m
160×5×30×30×8m |
70
80
90 |
80
90
100 |
110
120
140 |
20
20
25 |
132
142
162 |
20
20
25 |
120
130
150 |
80
90
110 |
3×M16×24
3×M16×24
3×M16×24 |
95
95
109 |
请
咨
询 |
|
12
13
14 |
60000
83000
117000 |
180×5×30×34×8m
200×5×30×38×8m
220×5×30×42×8m |
100
110
125 |
110
120
135 |
90
100
120 |
25
30
30 |
182
202
222 |
25
25
30 |
160
175
195 |
130
140
160 |
3×M16×24
3×M16×24
3×M16×24 |
106
118
139 | |
|
16
17
18 |
160000
202000
244000 |
250×8×30×30×8m
260×8×30×31×8m
280×8×30×34×8m |
140
150
160 |
155
165
175 |
140
155
170 |
35
40
40 |
252
262
282 |
30
35
35 |
220
240
250 |
185
200
215 |
3×M20×30
3×M20×30
3×M20×30 |
142
139
134 | |
|
19
20
21 |
295000
354000
392000 |
300×8×30×36×8m
310×8×30×37×8m
320×8×30×38×8m |
170
180
190 |
185
195
205 |
180
190
200 |
40
40
40 |
302
312
322 |
35
35
35 |
260
270
280 |
225
235
250 |
3×M20×30
6×M20×30
6×M20×30 |
148.5
148.5
158 | |
|
22
23
24 |
450000
513000
592000 |
340×8×30×41×8m
360×8×30×44×8m
380×8×30×46×8m |
200
200
220 |
215
215
235 |
210
230
245 |
40
40
40 |
342
362
382 |
35
35
35 |
290
290
310 |
265
275
290 |
6×M20×30
6×M20×30
6×M20×30 |
158
175
175 | |
|
25
26
27 |
684000
763000
852000 |
400×8×30×48×8m
420×8×30×51×8m
440×8×30×54×8m |
230
240
250 |
245
255
265 |
260
280
310 |
40
40
40 |
402
422
442 |
35
35
35 |
320
330
340 |
310
330
370 |
6×M24×36
6×M24×36
6×M24×36 |
182
182
196.5 | |
|
28
29
30 |
950000
1060000
1200000 |
450×8×30×35×8m
460×8×30×56×8m
480×8×30×58×8m |
260
270
285 |
275
285
300 |
330
340
360 |
45
45
45 |
452
462
482 |
40
40
40 |
360
370
385 |
380
390
410 |
6×M24×36
6×M24×36
6×M24×36 |
196.5
209
209 | |