电话:0312-6784766

|
减速器型号规格 |
传动比 |
辊压机型号规格(直径/宽度) |
电机功率(KW)(8级电机) |
|
JNG22-31.5 |
31.5 |
HFC80-20 |
75KW |
|
JNG23L-25
JNG23L-28 |
25
28 |
HFCG80-20 |
96KW
90KW |
|
JNG28M-28
JNG28M-31.5 |
28
31.5 |
HFCG100-35 |
160KW
132KW |
|
JNG38-31.5
JNG38L-31.5
JNGM38-41 |
31.5
31.5
41 |
HFCG120-40
HFCG120-45
HFCG120-60 |
220KW
220KW
275KW |
|
JNG48-36.5
JNG48-45 |
36.5
45 |
HFCG140-65 |
500KW
400KW |

|
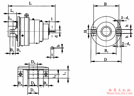
型号规格 |
外形 |
高速轴 |
低速轴 |
重量 | ||||||||
|
L |
D |
d(m6) |
L |
b(N9) |
t |
D1 |
D2 |
D3 |
L1 |
L2 |
(Kg) | |
|
JNG22 |
960 |
680 |
50 |
85 |
14 |
54 |
220 |
170 |
166 |
180 |
125 |
800 |
|
JNG23L |
1172 |
760 |
75 |
105 |
20 |
79.5 |
230 |
180 |
175 |
236.5 |
107.5 |
1000 |
|
JNG28M |
1284 |
960 |
85 |
125 |
22 |
90 |
280 |
220 |
215 |
220 |
110 |
2100 |
|
JNG38
JNG38L |
1646 |
1100 |
100 |
210 |
28 |
106 |
380 |
300 |
295 |
290 |
140 |
2950 |
|
JNGM38 |
3500 | |||||||||||
|
JNG48 |
1920 |
1220 |
130 |
210 |
32 |
137 |
480 |
390 |
385 |
330 |
165 |
5000 |
|
型号规格 |
安装尺寸 |
|
油量(Kg)/台 |
备注 | ||||||||
|
B |
B1 |
B2 |
B4 |
L1 |
L2 |
H |
h |
d1 |
d2(H7) | |||
|
JNG22 |
560 |
460 |
50 |
105 |
160 |
74 |
70 |
|
41 |
|
30 |
可根据需
要定制循
环润滑冷
却装置 |
|
JNG23L |
600 |
480 |
54 |
135 |
210 |
125 |
80 |
5 |
51 |
70 |
40 | |
|
JNG28M |
800 |
680 |
78 |
130 |
237 |
140 |
100 |
5 |
51 |
70 |
45 | |
|
JNG38 |
|
|
|
|
|
|
|
|
|
|
50 |
采用循环
冷却装置
或稀油站 |
|
JNGL38 |
890 |
710 |
85 |
200 |
250 |
140 |
150 |
5 |
81.2 |
100 | ||
|
JNGM38 |
70 | |||||||||||
|
JNG48 |
1000 |
780 |
130 |
220 |
335 |
200 |
200 |
5 |
141.2 |
180 |
100 | |