您好,欢迎进入格鲁夫机械设备制造有限公司官网!
减速机|丝杆升降机|减速电机|行业专用减速机|减速机配件|减速机厂|丝杆升降机厂|转向器厂

联系我们

邮箱:china@gelufu.com
电话:0312-6784766
在线咨询

行星齿轮减速机

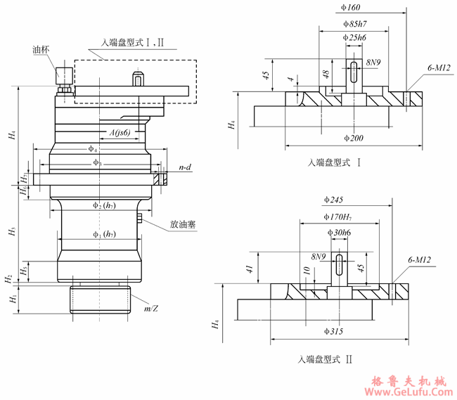
XJL-25、XJL-40、XJL-63、XJL-80、XJL-100、XJL-160、XJL-250行星齿轮减速机外型及安装尺寸

发布日期:2023-12-28 19:30 浏览次数:

XJL-25、XJL-40、XJL-63、XJL-80、XJL-100、XJL-160、XJL-250行星齿轮减速机外型及安装尺寸(图1)

微信:grove_company

XJL行星齿轮减速机外型及安装尺寸 www.gelufu.com

XJL-25、XJL-40、XJL-63、XJL-80、XJL-100、XJL-160、XJL-250行星齿轮减速机外型及安装尺寸(图2) 格鲁夫配件

外型及安装尺寸(见图2,表2)

型号
XJL-25
XJL-40
XJL-63
XJL-80
XJL-100
XJL-160
XJL-250
M/Z
10/12
10/12
10/12
10/12
12/16
12/16
12/16
φ­1(h7)
φ170
φ176
φ220
φ220
φ260
φ280
φ330
φ2(h7)
φ220
φ260
φ260
φ295
φ330
φ415
φ415
φ3
φ250
φ290
φ290
φ340
φ380
φ465
φ465
φ4
φ280
φ320
φ320
φ370
φ420
φ500
φ500
A(js6)
102
102
102
102
124
145
155
n-d
12-φ11
12-φ14
12-φ14
24-φ18
24-φ18
24-φ18
24-φ22
H1
80
80
80
85
96
105
120
H2
5
5
5
12
12
25
12
H3
200
230
315
315
315
550
550
H4
245
250
277
284
347
315
364
H5
55
60
70
70
60
100
100
H6
15
15
20
20
40
25
20
H7
20
25
25
30
30
30
35
入端形式

表中H1,M/Z尺寸,可根据用户需要确定。 gelufu.com.cn

Copyright © 2023-2025 格鲁夫 版权所有 备案号:冀ICP备19023093号-2

电子营业执照图标 电子营业执照
选择语言
Hello,欢迎来咨询~