电话:0312-6784766

|
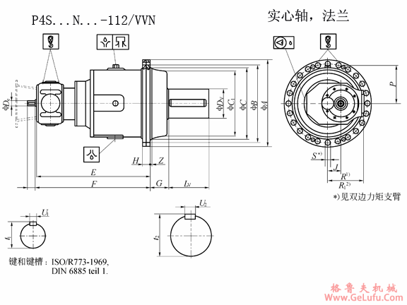
规格 |
尺寸(mm) |
重量 |
油量 | ||||||||||||||||||||||
|
A |
B |
C |
C1 |
E |
F |
G |
H |
J |
P |
R |
R1 |
S |
V |
Z |
De |
Le |
Dv |
Lv |
u1 |
t1 |
u2 |
t2 |
kg |
l | |
|
011 |
450 |
410 |
370f8 |
340 |
753 |
764 |
78 |
38 |
90 |
205 |
260 |
295 |
22 |
300 |
8 |
40k63) |
82 |
140m6 |
220 |
12h9 |
43 |
36h9 |
148 |
365 |
16 |
|
021 |
500 |
460 |
410f8 |
373 |
788 |
799 |
85 |
44 |
90 |
230 |
260 |
295 |
22 |
300 |
8 |
40k63) |
82 |
150m6 |
220 |
12h9 |
43 |
36h9 |
158 |
485 |
21 |
|
031 |
560 |
510 |
460f8 |
408 |
818 |
829 |
90 |
46 |
90 |
260 |
260 |
295 |
26 |
300 |
8 |
40k63) |
82 |
165m6 |
250 |
12h9 |
43 |
40h9 |
174 |
625 |
27 |
|
041 |
620 |
560 |
480f8 |
453 |
936 |
947 |
130 |
60 |
110 |
280 |
325 |
360 |
33 |
300 |
8 |
40k6 |
82 |
190m6 |
300 |
12h9 |
43 |
45h9 |
200 |
880 |
40 |
|
051 |
650 |
590 |
530f8 |
490 |
956 |
967 |
140 |
60 |
110 |
300 |
325 |
360 |
33 |
300 |
8 |
40k6 |
82 |
210m6 |
350 |
12h9 |
43 |
50h9 |
221 |
1010 |
45 |
|
061 |
760 |
690 |
610f8 |
574 |
1006 |
1017 |
140 |
70 |
110 |
340 |
325 |
360 |
39 |
300 |
8 |
40k6 |
82 |
240m6 |
400 |
12h9 |
43 |
56h9 |
252 |
1500 |
70 |
|
071 |
840 |
770 |
690f8 |
633 |
1120 |
1131 |
145 |
80 |
140 |
385 |
405 |
445 |
39 |
350 |
12 |
50k6 |
82 |
260m6 |
400 |
14h9 |
53.5 |
56h9 |
272 |
2050 |
85 |
|
081 |
920 |
740 |
750f8 |
685 |
1175 |
1186 |
160 |
80 |
140 |
420 |
405 |
445 |
45 |
350 |
12 |
50k6 |
82 |
290m6 |
450 |
14h9 |
53.5 |
63h9 |
302 |
2650 |
120 |
|
091 |
950 |
870 |
800f8 |
710 |
1225 |
1236 |
190 |
80 |
140 |
440 |
405 |
445 |
45 |
350 |
12 |
50k6 |
82 |
310m6 |
450 |
14h9 |
53.5 |
70h9 |
321 |
3050 |
135 |
|
101 |
1050 |
960 |
850f8 |
781 |
1367 |
1378 |
195 |
90 |
180 |
480 |
515 |
555 |
45 |
400 |
12 |
60m6 |
105 |
340m6 |
550 |
18h9 |
64 |
80h9 |
355 |
4135 |
190 |
|
111 |
1100 |
1010 |
900f8 |
827 |
1417 |
1428 |
210 |
90 |
180 |
510 |
515 |
555 |
45 |
400 |
12 |
60m6 |
105 |
360m6 |
600 |
18h9 |
64 |
80h9 |
375 |
4825 |
220 |
|
121 |
1150 |
1070 |
970f8 |
903 |
1467 |
1478 |
220 |
90 |
180 |
540 |
515 |
555 |
45 |
400 |
16 |
60m6 |
105 |
380m6 |
650 |
18h9 |
64 |
80h9 |
395 |
5735 |
265 |
|
131 |
1210 |
1120 |
1010f8 |
937 |
1512 |
1523 |
220 |
100 |
180 |
560 |
515 |
555 |
45 |
400 |
16 |
60m6 |
105 |
420m6 |
650 |
18h9 |
64 |
90h9 |
437 |
6395 |
310 |
|
141 |
1340 |
1250 |
1150f8 |
965 |
1562 |
1573 |
230 |
100 |
180 |
580 |
515 |
555 |
45 |
400 |
16 |
60m6 |
105 |
430m6 |
700 |
18h9 |
64 |
90h9 |
447 |
7195 |
330 |
|
151 |
1410 |
1320 |
1200f8 |
1019 |
1598 |
1598 |
235 |
100 |
180 |
600 |
515 |
555 |
45 |
400 |
16 |
60m6 |
105 |
450m6 |
750 |
18h9 |
64 |
100h9 |
469 |
8395 |
390 |
|
规格 |
n1 |
011 |
021 |
031 |
041 |
051 |
061 |
071 |
081 |
091 |
101 |
111 |
121 |
131 |
141 |
151 |
|
无冷却 |
1800 |
27 |
30 |
34 |
43 |
47 |
54 |
72 |
81 |
90 |
111 |
120 |
132 |
142 |
156 |
165 |
|
1500 |
28 |
32 |
36 |
45 |
49 |
57 |
76 |
85 |
95 |
117 |
126 |
139 |
149 |
164 |
173 | |
|
1200 |
30 |
34 |
38 |
48 |
52 |
61 |
81 |
91 |
101 |
125 |
135 |
149 |
160 |
176 |
186 | |
|
1000 |
34 |
38 |
42 |
53 |
58 |
68 |
91 |
101 |
113 |
139 |
151 |
165 |
177 |
195 |
206 | |
|
带风扇冷却 |
1800 |
54 |
60 |
68 |
85 |
93 |
108 |
145 |
162 |
180 |
223 |
241 |
264 |
284 |
313 |
330 |
|
1500 |
57 |
63 |
71 |
90 |
98 |
113 |
152 |
170 |
189 |
234 |
253 |
278 |
298 |
328 |
346 | |
|
1200 |
61 |
68 |
76 |
96 |
105 |
122 |
163 |
182 |
203 |
251 |
271 |
297 |
319 |
352 |
371 | |
|
1000 |
68 |
75 |
85 |
107 |
117 |
135 |
181 |
202 |
225 |
278 |
301 |
331 |
355 |
391 |
412 |