gelufu.com.cn

|
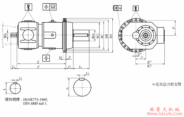
规格 |
尺寸(mm) |
重量 |
油量 | ||||||||||||||||||||||
|
A |
B |
C |
C1 |
E |
F |
G |
H |
J |
P |
R |
R1 |
S |
V |
Z |
De |
Le |
Dv |
Lv |
u1 |
t1 |
u2 |
t2 |
kg |
l | |
|
011 |
450 |
410 |
370f8 |
340 |
689 |
700 |
78 |
38 |
110 |
205 |
325 |
360 |
22 |
300 |
8 |
40k6 |
82 |
185 |
220 |
12h9 |
43 |
36h9 |
148 |
360 |
14 |
|
021 |
500 |
460 |
410f8 |
373 |
725 |
736 |
85 |
44 |
110 |
230 |
325 |
360 |
22 |
300 |
8 |
40k6 |
82 |
200 |
220 |
12h9 |
43 |
36h9 |
158 |
480 |
19 |
|
031 |
560 |
510 |
460f8 |
408 |
806 |
817 |
90 |
46 |
140 |
260 |
405 |
445 |
26 |
350 |
8 |
50k6 |
82 |
220 |
250 |
14h9 |
53.5 |
40h9 |
174 |
660 |
26 |
|
041 |
620 |
560 |
480f8 |
453 |
892 |
903 |
130 |
60 |
180 |
280 |
515 |
555 |
33 |
400 |
8 |
60m6 |
105 |
240 |
300 |
18h9 |
64 |
45h9 |
200 |
965 |
35 |
|
051 |
650 |
590 |
530f8 |
490 |
910 |
921 |
140 |
60 |
180 |
300 |
515 |
555 |
33 |
400 |
8 |
60m6 |
130 |
105 |
350 |
22h9 |
64 |
56h9 |
221 |
1095 |
42 |
|
061 |
760 |
690 |
610f8 |
574 |
1010 |
1121 |
140 |
70 |
225 |
340 |
650 |
700 |
39 |
550 |
8 |
80m6 |
130 |
300 |
400 |
28h9 |
85 |
56h9 |
252 |
1750 |
73 |
|
071 |
840 |
770 |
690f8 |
633 |
1157 |
1168 |
145 |
80 |
225 |
385 |
650 |
700 |
39 |
550 |
12 |
80m6 |
165 |
165 |
400 |
28h9 |
85 |
63h9 |
272 |
2200 |
83 |
|
081 |
920 |
740 |
750f8 |
685 |
1268 |
1282 |
160 |
80 |
280 |
420 |
810 |
870 |
45 |
660 |
12 |
110m6 |
165 |
361 |
450 |
28h9 |
116 |
70h9 |
302 |
3130 |
160 |
|
091 |
950 |
870 |
800f8 |
710 |
1320 |
1334 |
190 |
80 |
280 |
440 |
810 |
870 |
45 |
660 |
12 |
110m6 |
165 |
390 |
450 |
32h9 |
116 |
80h9 |
321 |
3530 |
175 |
|
101 |
1050 |
960 |
850f8 |
781 |
1343 |
1357 |
195 |
90 |
280 |
480 |
810 |
870 |
45 |
660 |
12 |
110m6 |
200 |
440 |
550 |
32h9 |
116 |
80h9 |
355 |
5050 |
205 |
|
111 |
1100 |
1010 |
900f8 |
827 |
1561 |
1575 |
210 |
90 |
355 |
510 |
1010 |
1080 |
45 |
800 |
12 |
130m6 |
200 |
460 |
600 |
32h9 |
137 |
80h9 |
375 |
5750 |
305 |
|
121 |
1150 |
1070 |
970f8 |
903 |
1614 |
1628 |
220 |
90 |
355 |
540 |
1010 |
1080 |
45 |
800 |
16 |
130m6 |
200 |
480 |
650 |
32h9 |
137 |
80h9 |
395 |
6650 |
350 |
|
131 |
1210 |
1120 |
1010f8 |
937 |
1644 |
1658 |
220 |
100 |
355 |
560 |
1010 |
1080 |
45 |
800 |
16 |
130m6 |
200 |
500 |
650 |
32h9 |
137 |
90h9 |
437 |
7250 |
380 |
|
141 |
1340 |
1250 |
1150f8 |
965 |
1683 |
1697 |
230 |
100 |
355 |
580 |
1010 |
1080 |
45 |
800 |
16 |
130m6 |
200 |
530 |
700 |
32h9 |
137 |
90h9 |
447 |
8050 |
400 |
|
151 |
1410 |
1320 |
1200f8 |
1019 |
1708 |
1722 |
235 |
100 |
355 |
600 |
1010 |
1080 |
45 |
800 |
16 |
130m6 |
200 |
560 |
750 |
32h9 |
137 |
100h9 |
469 |
9250 |
490 |
|
规格 |
n1 |
011 |
021 |
031 |
041 |
051 |
061 |
071 |
081 |
091 |
101 |
111 |
121 |
131 |
141 |
151 |
|
无冷却 |
1800 |
37 |
41 |
56 |
73 |
79 |
118 |
129 |
157 |
169 |
177 |
238 |
254 |
263 |
282 |
294 |
|
1500 |
38 |
43 |
59 |
77 |
83 |
124 |
135 |
164 |
177 |
186 |
250 |
267 |
276 |
296 |
308 | |
|
1200 |
41 |
46 |
63 |
82 |
88 |
133 |
145 |
176 |
190 |
199 |
268 |
286 |
296 |
317 |
330 | |
|
1000 |
46 |
51 |
70 |
92 |
98 |
147 |
161 |
196 |
211 |
222 |
298 |
318 |
329 |
353 |
367 | |
|
带风扇冷却 |
1800 |
73 |
82 |
112 |
146 |
157 |
236 |
258 |
313 |
337 |
355 |
477 |
508 |
526 |
564 |
587 |
|
1500 |
77 |
86 |
118 |
154 |
165 |
247 |
271 |
329 |
354 |
372 |
500 |
533 |
552 |
592 |
616 | |
|
1200 |
82 |
92 |
126 |
165 |
177 |
265 |
290 |
352 |
380 |
399 |
536 |
572 |
592 |
635 |
660 | |
|
1000 |
92 |
102 |
140 |
183 |
197 |
295 |
322 |
391 |
422 |
443 |
596 |
635 |
657 |
705 |
734 |