WX:grove_company

|
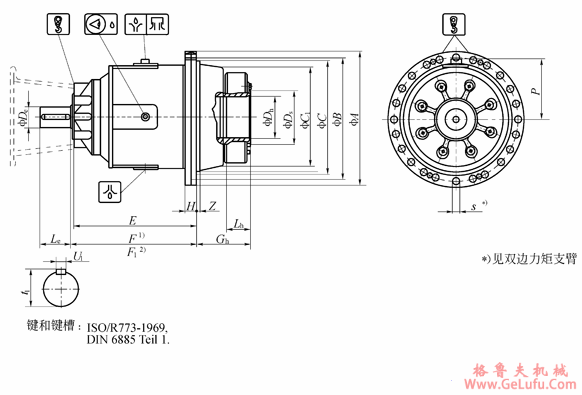
规格 |
尺寸(mm) |
重量 |
油量 | ||||||||||||||||||
|
A |
B |
C |
C1 |
E |
F |
F1 |
Gh |
H |
P |
S |
Z |
De |
Le |
Dh |
Lh |
Ds |
u1 |
t1 |
kg |
l | |
|
011 |
450 |
410 |
370fB |
340 |
509 |
520 |
555 |
170 |
38 |
205 |
22 |
8 |
32k6 |
58 |
140h7 |
83 |
185 |
10h9 |
35 |
340 |
14 |
|
021 |
500 |
460 |
410fB |
373 |
544 |
550 |
590 |
180 |
44 |
230 |
22 |
8 |
32k6 |
58 |
150h7 |
83 |
200 |
10h9 |
35 |
370 |
19 |
|
031 |
560 |
510 |
460fB |
408 |
574 |
585 |
620 |
210 |
46 |
260 |
26 |
8 |
32k6 |
58 |
165h7 |
108 |
220 |
10h9 |
35 |
620 |
25 |
|
041 |
620 |
560 |
480fB |
453 |
674 |
715 |
750 |
255 |
60 |
280 |
33 |
8 |
70m6 |
140 |
190h7 |
110 |
240 |
20h9 |
74.5 |
860 |
35 |
|
051 |
650 |
590 |
530fB |
490 |
694 |
735 |
770 |
275 |
60 |
300 |
33 |
8 |
70m6 |
140 |
210h7 |
123 |
260 |
20h9 |
74.5 |
1010 |
40 |
|
061 |
760 |
690 |
610fB |
574 |
724 |
785 |
820 |
295 |
70 |
340 |
39 |
8 |
70m6 |
140 |
240h7 |
143 |
300 |
20h9 |
74.5 |
1540 |
65 |
|
071 |
840 |
770 |
690fB |
633 |
799 |
880 |
920 |
320 |
80 |
385 |
39 |
8 |
90m6 |
160 |
260h7 |
156 |
340 |
25h9 |
95 |
2110 |
80 |
|
081 |
920 |
840 |
750fB |
685 |
854 |
935 |
975 |
340 |
80 |
420 |
45 |
12 |
90m6 |
160 |
290h7 |
162 |
360 |
25h9 |
95 |
2730 |
115 |
|
091 |
950 |
870 |
800fB |
710 |
907 |
985 |
1025 |
380 |
80 |
440 |
45 |
12 |
90m6 |
160 |
310h7 |
168 |
390 |
25h9 |
95 |
3170 |
130 |
|
101 |
1050 |
960 |
850fB |
781 |
1029 |
1110 |
1150 |
420 |
90 |
480 |
45 |
12 |
120m6 |
200 |
340h7 |
200 |
440 |
32h9 |
127 |
4270 |
180 |
|
111 |
1100 |
1010 |
900fB |
827 |
1079 |
1160 |
1200 |
435 |
90 |
510 |
45 |
12 |
120m6 |
200 |
360h7 |
200 |
460 |
32h9 |
127 |
5030 |
210 |
|
121 |
1150 |
1070 |
970fB |
903 |
1129 |
1210 |
1250 |
465 |
90 |
540 |
45 |
16 |
120m6 |
200 |
380h7 |
218 |
480 |
32h9 |
127 |
6020 |
255 |
|
131 |
1210 |
1120 |
1010fB |
937 |
1211 |
1295 |
1345 |
460 |
100 |
560 |
45 |
16 |
140m6 |
220 |
420h7 |
216 |
500 |
36h9 |
148 |
6750 |
300 |
|
141 |
1340 |
1250 |
1150fB |
965 |
1251 |
1335 |
1385 |
550 |
100 |
580 |
45 |
16 |
140m6 |
220 |
430h7 |
245 |
530 |
36h9 |
148 |
7700 |
320 |
|
151 |
1410 |
1320 |
1200fB |
10190 |
1276 |
1360 |
1410 |
510 |
100 |
600 |
45 |
16 |
140m6 |
220 |
450h7 |
750 |
560 |
36h9 |
148 |
8940 |
380 |
|
规格 |
n1 |
011 |
021 |
031 |
041 |
051 |
061 |
071 |
081 |
091 |
101 |
111 |
121 |
131 |
141 |
151 |
|
无冷却 |
1800 |
34 |
40 |
47 |
60 |
68 |
82 |
106 |
123 |
140 |
168 |
186 |
208 |
230 |
259 |
276 |
|
1500 |
36 |
42 |
49 |
63 |
71 |
86 |
112 |
129 |
147 |
177 |
195 |
219 |
242 |
272 |
290 | |
|
1200 |
38 |
45 |
53 |
67 |
76 |
93 |
120 |
138 |
157 |
190 |
209 |
234 |
259 |
291 |
311 | |
|
1000 |
42 |
50 |
59 |
75 |
85 |
103 |
133 |
153 |
175 |
211 |
232 |
261 |
288 |
324 |
345 | |
|
带风扇冷却 |
1800 |
68 |
79 |
94 |
120 |
136 |
165 |
213 |
245 |
279 |
337 |
371 |
417 |
461 |
518 |
552 |
|
1500 |
71 |
83 |
99 |
126 |
142 |
173 |
223 |
258 |
293 |
354 |
390 |
438 |
484 |
544 |
580 | |
|
1200 |
76 |
89 |
106 |
135 |
153 |
185 |
239 |
276 |
314 |
379 |
418 |
469 |
518 |
583 |
621 | |
|
1000 |
85 |
99 |
117 |
150 |
170 |
206 |
266 |
307 |
349 |
421 |
464 |
521 |
576 |
647 |
690 |