电话:0312-6784766

|
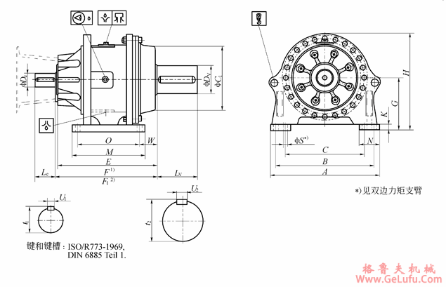
规格 |
尺寸(mm) |
重量 |
油量 | ||||||||||||||||||||||
|
A |
B |
C |
C1 |
E |
F |
F1 |
G |
H |
K |
M |
N |
O |
S |
W |
De |
Le |
Dv |
Lv |
u1 |
t1 |
u2 |
t2 |
kg |
l | |
|
011 |
560 |
510 |
410 |
340 |
452 |
513 |
548 |
282.5 |
525 |
30 |
380 |
100 |
300 |
22 |
84.5 |
50k6 |
110 |
140m6 |
220 |
14h9 |
53.5 |
36h9 |
148 |
370 |
10 |
|
021 |
630 |
580 |
480 |
373 |
509 |
570 |
605 |
312.5 |
580 |
35 |
430 |
100 |
330 |
22 |
88 |
60m6 |
120 |
150m6 |
220 |
18h9 |
64 |
36h9 |
158 |
520 |
15 |
|
031 |
700 |
640 |
540 |
408 |
564 |
625 |
660 |
342.5 |
640 |
35 |
460 |
110 |
400 |
26 |
99 |
70m6 |
140 |
165m6 |
250 |
20h9 |
74.5 |
40h9 |
174 |
700 |
20 |
|
041 |
780 |
700 |
570 |
435 |
63.9 |
700 |
735 |
377.5 |
705 |
40 |
520 |
140 |
440 |
33 |
134 |
80m6 |
150 |
190m6 |
300 |
22h9 |
85 |
45h9 |
200 |
980 |
25 |
|
051 |
820 |
730 |
580 |
490 |
659 |
740 |
780 |
393 |
745 |
40 |
550 |
160 |
460 |
39 |
143 |
90m6 |
160 |
210m6 |
350 |
25h9 |
95 |
50h9 |
221 |
1140 |
32 |
|
061 |
950 |
860 |
710 |
574 |
759 |
840 |
880 |
480 |
885 |
60 |
600 |
160 |
510 |
39 |
147 |
100m6 |
180 |
240m6 |
400 |
28h9 |
106 |
56h9 |
252 |
1770 |
55 |
|
071 |
1050 |
950 |
770 |
633 |
814 |
895 |
935 |
520 |
965 |
60 |
650 |
190 |
550 |
45 |
160 |
120m6 |
200 |
260m6 |
400 |
32h9 |
127 |
56h9 |
272 |
2370 |
65 |
|
081 |
1150 |
1050 |
870 |
685 |
921 |
1005 |
1055 |
570 |
1055 |
70 |
720 |
190 |
620 |
45 |
168 |
140m6 |
220 |
290m6 |
450 |
36h9 |
148 |
63h9 |
302 |
3100 |
100 |
|
091 |
1200 |
1080 |
880 |
710 |
1016 |
1100 |
1150 |
585 |
1085 |
70 |
800 |
220 |
680 |
52 |
194 |
150m6 |
220 |
310m6 |
450 |
36h9 |
158 |
70h9 |
321 |
3580 |
115 |
|
101 |
1300 |
1180 |
980 |
781 |
1021 |
1155 |
1215 |
645 |
1195 |
80 |
830 |
220 |
710 |
52 |
200.5 |
160m6 |
240 |
340m6 |
550 |
40h9 |
169 |
80h9 |
355 |
3600 |
145 |
|
111 |
1380 |
1240 |
1000 |
827 |
1086 |
1220 |
1280 |
680 |
1255 |
80 |
890 |
260 |
750 |
60 |
219.5 |
160m6 |
240 |
360m6 |
600 |
40h9 |
169 |
80h9 |
375 |
5450 |
175 |
|
121 |
1430 |
1290 |
1050 |
903 |
1176 |
1310 |
1380 |
715 |
1315 |
90 |
950 |
260 |
810 |
60 |
226 |
180m6 |
350 |
380m6 |
650 |
45h9 |
190 |
80h9 |
395 |
6450 |
220 |
|
131 |
1500 |
1340 |
1070 |
937 |
1206 |
1340 |
1410 |
755 |
1395 |
90 |
1020 |
290 |
860 |
70 |
221 |
180m6 |
350 |
420m6 |
650 |
45h9 |
190 |
90h9 |
437 |
7320 |
250 |
|
141 |
1620 |
1460 |
1190 |
965 |
1313 |
1450 |
1520 |
830 |
1535 |
100 |
1050 |
290 |
890 |
70 |
235.5 |
200m6 |
350 |
430m6 |
700 |
45h9 |
210 |
90h9 |
447 |
8180 |
270 |
|
151 |
1690 |
1500 |
1200 |
1019 |
1346 |
1480 |
1550 |
865 |
1605 |
100 |
1150 |
340 |
960 |
78 |
218 |
200m6 |
350 |
450m6 |
750 |
45h9 |
210 |
100h9 |
469 |
9600 |
330 |
|
规格 |
n1 |
011 |
021 |
031 |
041 |
051 |
061 |
n1 |
071 |
081 |
091 |
n1 |
101 |
111 |
121 |
131 |
141 |
151 |
|
无冷却 |
1800 |
39 |
48 |
59 |
68 |
80 |
105 |
1200 |
145 |
175 |
203 |
600 |
253 |
283 |
328 |
351 |
415 |
445 |
|
1500 |
41 |
50 |
62 |
71 |
84 |
111 |
1000 |
152 |
184 |
213 |
500 |
266 |
297 |
344 |
369 |
436 |
467 | |
|
1200 |
44 |
54 |
67 |
77 |
90 |
118 |
600 |
163 |
197 |
228 |
300 |
285 |
318 |
369 |
395 |
467 |
501 | |
|
1000 |
49 |
60 |
74 |
85 |
100 |
132 |
500 |
181 |
219 |
254 |
250 |
316 |
354 |
410 |
439 |
519 |
556 | |
|
带风扇冷却 |
1800 |
78 |
96 |
119 |
136 |
161 |
211 |
120 |
290 |
351 |
407 |
600 |
506 |
566 |
656 |
702 |
830 |
891 |
|
1500 |
82 |
101 |
125 |
143 |
169 |
221 |
1000 |
305 |
369 |
427 |
500 |
531 |
594 |
689 |
737 |
872 |
936 | |
|
1200 |
88 |
108 |
133 |
153 |
181 |
237 |
600 |
326 |
395 |
458 |
300 |
569 |
637 |
738 |
790 |
934 |
1002 | |
|
1000 |
97 |
120 |
148 |
170 |
201 |
263 |
500 |
363 |
439 |
509 |
250 |
633 |
708 |
820 |
878 |
1038 |
1114 |