传真:0312-6784733
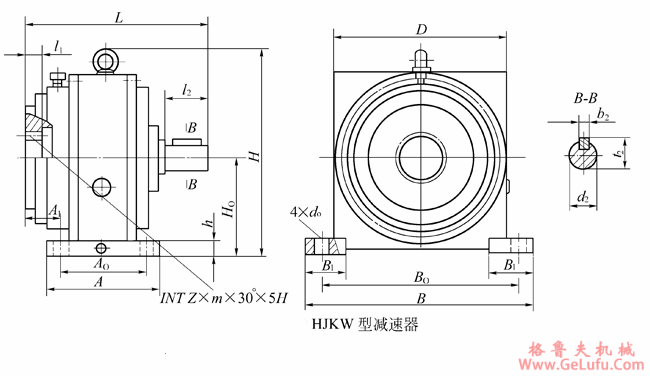
HJKW-D型星轮减速机外形及安装尺寸
邮箱:china@gelufu.com
|
规格 |
外形尺寸及中心高 |
孔输出参数及轴伸尺寸 |
地 脚 尺 寸 |
质量
m/kg | ||||||||||||||||
|
H0 |
H |
D |
L |
Z |
m |
l 1 |
d2 |
l 2 |
b2 |
t2 |
A |
A1 |
A0 |
B |
B1 |
B0 |
d0 |
h | ||
|
18D |
200 |
475 |
360 |
424 |
34 |
3 |
50 |
35k6 |
58 |
10 |
38 |
310 |
66 |
220 |
490 |
100 |
400 |
26 |
28 |
142 |
|
20D |
225 |
530 |
400 |
472 |
39 |
3 |
50 |
40k6 |
82 |
12 |
43 |
360 |
67 |
250 |
560 |
120 |
450 |
33 |
35 |
255 |
|
22D |
250 |
580 |
450 |
500 |
24 |
5 |
50 |
45k6 |
82 |
14 |
48.5 |
370 |
73 |
260 |
610 |
125 |
500 |
33 |
35 |
286 |
|
25D |
280 |
655 |
500 |
576 |
27 |
5 |
60 |
60m6 |
105 |
18 |
64 |
400 |
90 |
290 |
670 |
125 |
560 |
39 |
45 |
360 |
|
28D |
315 |
725 |
560 |
639 |
33 |
5 |
70 |
65m6 |
105 |
18 |
69 |
440 |
103 |
330 |
740 |
130 |
630 |
50 |
55 |
510 |
|
31D |
355 |
821 |
630 |
684 |
36 |
5 |
70 |
65m6 |
105 |
18 |
69 |
500 |
104 |
360 |
850 |
160 |
710 |
50 |
55 |
628 |
|
35D |
400 |
911 |
710 |
744 |
41 |
5 |
70 |
75m6 |
105 |
20 |
79.5 |
550 |
112 |
410 |
940 |
160 |
800 |
55 |
65 |
1015 |
|
40D |
450 |
1028 |
800 |
862 |
22 |
10 |
85 |
85m6 |
130 |
22 |
90 |
630 |
122 |
480 |
1050 |
175 |
900 |
65 |
75 |
1500 |
|
45D |
500 |
1100 |
900 |
1028 |
26 |
10 |
100 |
120m6 |
165 |
32 |
127 |
730 |
134 |
530 |
1200 |
225 |
1000 |
80 |
100 |
2313 |
|
50D |
560 |
1245 |
1000 |
1125 |
30 |
10 |
110 |
130m6 |
200 |
32 |
137 |
830 |
138 |
630 |
1320 |
230 |
1120 |
80 |
100 |
3112 |
|
56D |
630 |
1410 |
1120 |
1236 |
34 |
10 |
110 |
140m6 |
200 |
36 |
148 |
960 |
142 |
710 |
1500 |
270 |
1260 |
80 |
100 |
4438 |
|
63D |
710 |
1560 |
1260 |
1361 |
38 |
10 |
130 |
160m6 |
240 |
40 |
169 |
1020 |
150 |
770 |
1670 |
285 |
1420 |
101 |
120 |
6213 |
|
71D |
800 |
1770 |
1420 |
1464 |
40 |
10 |
140 |
180m6 |
240 |
45 |
190 |
1150 |
155 |
860 |
1860 |
300 |
1600 |
101 |
120 |
8845 |
|
80D |
900 |
1960 |
1600 |
1517 |
46 |
10 |
140 |
200m6 |
280 |
45 |
210 |
1150 |
155 |
860 |
2090 |
335 |
1800 |
110 |
140 |
11210 |
|
19D |
215 |
485 |
380 |
467 |
36 |
3 |
50 |
40k6 |
82 |
12 |
43 |
350 |
62 |
250 |
530 |
110 |
430 |
33 |
40 |
174 |
|
21D |
236 |
536 |
430 |
497 |
38 |
3 |
50 |
45k6 |
82 |
14 |
48.5 |
370 |
68 |
265 |
580 |
115 |
475 |
33 |
40 |
226 |
|
23D |
265 |
609 |
475 |
516 |
25 |
5 |
60 |
48k6 |
82 |
14 |
51.5 |
390 |
71 |
280 |
640 |
120 |
530 |
50 |
45 |
306 |
|
26D |
300 |
665 |
530 |
569 |
28 |
5 |
65 |
50k6 |
82 |
14 |
53.5 |
410 |
91 |
300 |
710 |
130 |
600 |
50 |
55 |
417 |
|
30D |
335 |
740 |
600 |
636 |
34 |
5 |
70 |
55k6 |
82 |
16 |
59 |
460 |
99 |
350 |
780 |
145 |
670 |
50 |
55 |
627 |
|
33D |
375 |
850 |
670 |
694 |
36 |
5 |
70 |
65m6 |
105 |
18 |
69 |
520 |
103 |
370 |
900 |
165 |
750 |
55 |
65 |
802 |
|
37D |
425 |
940 |
750 |
783 |
43 |
5 |
85 |
75m6 |
105 |
20 |
79.5 |
600 |
110 |
450 |
1000 |
170 |
850 |
55 |
75 |
1060 |
|
42D |
475 |
1065 |
850 |
876 |
22 |
10 |
90 |
85m6 |
130 |
22 |
90 |
650 |
118 |
500 |
1150 |
175 |
950 |
80 |
100 |
1720 |
|
47D |
530 |
1155 |
950 |
1028 |
28 |
10 |
100 |
120m6 |
165 |
32 |
127 |
730 |
134 |
530 |
1260 |
225 |
1060 |
80 |
100 |
2394 |
|
53D |
600 |
1315 |
1060 |
1125 |
32 |
10 |
110 |
130m6 |
200 |
32 |
137 |
830 |
138 |
630 |
1400 |
240 |
1200 |
80 |
100 |
3526 |
|
60D |
675 |
1460 |
1200 |
1310 |
34 |
10 |
130 |
140m6 |
200 |
36 |
148 |
1000 |
155 |
750 |
1590 |
280 |
1350 |
101 |
120 |
5707 |
|
67D |
750 |
1685 |
1350 |
1432 |
40 |
10 |
140 |
160m6 |
240 |
40 |
169 |
1150 |
155 |
860 |
1790 |
290 |
1500 |
101 |
120 |
7834 |
|
75D |
850 |
1860 |
1500 |
1517 |
46 |
10 |
140 |
200m6 |
280 |
45 |
210 |
1150 |
155 |
860 |
1990 |
315 |
1700 |
110 |
140 |
9890 |