www.gelufu.com.cn
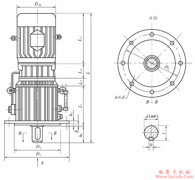
NGW-L型单级行星齿轮减速机外形及安装尺寸 邮箱:china@gelufu.com
邮箱:china@gelufu.com
|
机座
号 |
型号
规格 |
公称传动
比id |
外形 |
法兰及螺栓孔 |
轴伸 |
质量(kg) |
油量(L) | |||||||||||
|
DM |
L2 |
D1 |
L1 |
D2 |
D3 |
n×D1 |
h |
h1 |
h2 |
d |
l |
t |
b |
|
| |||
|
1 |
NGW-L
11 |
4~5
5.6~10 |
按
所
配
电
动
机
确
定 |
360 |
230.5 |
280 |
325 |
6×18 |
6 |
20 |
18 |
50 |
82 |
53.5 |
14 |
65 |
3.89 | |
|
2 |
NGW-L
21 |
4~5
5.6~10 |
385 |
255 |
305 |
345 |
6×18 |
6 |
20 |
18 |
60 |
105 |
64.0 |
18 |
100 |
5.53 | ||
|
3 |
NGW-L
31 |
4~5
5.6~10 |
430 |
287 |
330 |
380 |
6×18 |
6 |
25 |
20 |
70 |
105 |
74.5 |
20 |
120 |
7.86 | ||
|
4 |
NGW-L
41 |
4~5
5.6~10 |
485 |
315 |
380 |
455 |
8×22 |
8 |
25 |
20 |
80 |
130 |
85.0 |
22 |
160 |
11.63 | ||
|
5 |
NGW-L
51 |
4~5
5.6~10 |
520 |
355 |
420 |
470 |
8×22 |
8 |
30 |
25 |
90 |
130 |
95.0 |
25 |
240 |
16.52 | ||
|
6 |
NGW-L
61 |
4~5
5.6~10 |
605 |
387 |
505 |
545 |
8×32 |
8 |
30 |
25 |
100 |
165 |
106 |
28 |
320 |
20.84 | ||
|
7 |
NGW-L
71 |
4~5
5.6~10 |
670 |
416.5 |
570 |
610 |
8×32 |
10 |
30 |
28 |
110 |
165 |
116 |
28 |
400 |
29.85 | ||

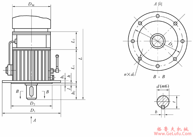
|
机座
号 |
型号
规格 |
公称传动
比id |
外形 |
法兰及螺栓孔 |
轴伸 |
质量(kg) |
油量(L) | ||||||||||||||
|
DM |
L |
L4 |
L3 |
L2 |
L1 |
D1 |
D2 |
D3 |
n×d |
h |
h1 |
h2 |
d |
l |
t |
b | |||||
|
4 |
NGW-L
42 |
25~100 |
按
所
配
电
动
机
确
定 |
62 |
315 |
485 |
385 |
455 |
8×22 |
8 |
25 |
20 |
80 |
130 |
85.0 |
22 |
180 |
11.63 | |||
|
5 |
NGW-L
52 |
25~100 |
72.5 |
355 |
520 |
420 |
470 |
8×22 |
8 |
30 |
25 |
90 |
130 |
95.0 |
25 |
270 |
16.52 | ||||
|
6 |
NGW-L
62 |
25~100 |
100 |
387 |
605 |
505 |
545 |
8×32 |
8 |
30 |
25 |
100 |
165 |
106 |
28 |
350 |
20.84 | ||||
|
7 |
NGW-L
72 |
25~100 |
100 |
416.5 |
670 |
570 |
610 |
8×32 |
10 |
30 |
28 |
110 |
165 |
116 |
28 |
430 |
29.85 | ||||
|
8 |
NGW-L
82 |
25~100 |
110 |
440.5 |
750 |
630 |
675 |
8×38 |
10 |
35 |
28 |
120 |
165 |
127 |
32 |
550 |
38.5 | ||||
|
9 |
NGW-L
92 |
25~100 |
120 |
477.5 |
830 |
710 |
755 |
8×38 |
10 |
35 |
32 |
130 |
200 |
137 |
32 |
680 |
55.6 | ||||
|
10 |
NGW-L
102 |
25~100 |
135 |
544 |
940 |
810 |
860 |
8×44 |
12 |
40 |
32 |
150 |
200 |
158 |
36 |
990 |
80.59 | ||||
|
11 |
NGW-L
112 |
25~100 |
145 |
598 |
1020 |
890 |
940 |
8×44 |
12 |
40 |
40 |
170 |
240 |
179 |
40 |
1220 |
114.25 | ||||
|
12 |
NGW-L
122 |
25~100 |
165 |
666 |
1150 |
1010 |
1060 |
8×50 |
12 |
45 |
45 |
190 |
280 |
200 |
45 |
1850 |
165.04 | ||||