您好,欢迎进入格鲁夫机械设备制造有限公司官网!
减速机|丝杆升降机|减速电机|行业专用减速机|减速机配件|减速机厂|丝杆升降机厂|转向器厂

联系我们

邮箱:china@gelufu.com
电话:0312-6784766
地址:莲池区焦庄乡 在线咨询

行星齿轮减速机

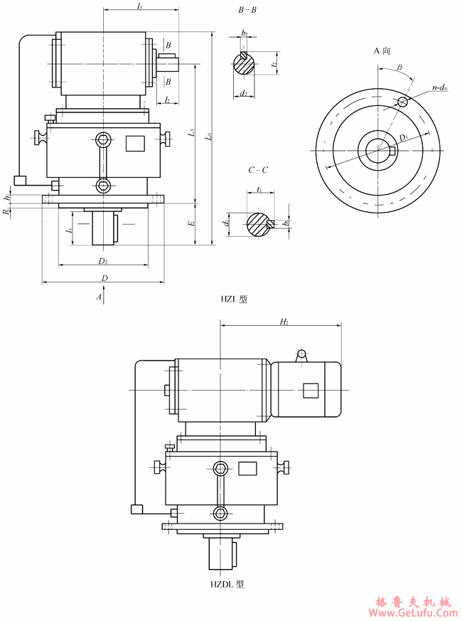
HZL16、HZDL16、HZL18、HZDL18、HZL20、HZDL20、HZL22、HZDL22、HZL25、HZDL25、HZL28、HZDL28、HZL31、HZDL31、HZL35、HZDL35、HZL40、HZDL40、HZL45、HZDL45、HZL50、HZDL50、HZL56、HZDL56型垂直出轴混合少齿差行星齿轮减速机型式及主要尺寸JB/T7344-1994

发布日期:2023-12-28 19:30 浏览次数:

HZL16、HZDL16、HZL18、HZDL18、HZL20、HZDL20、HZL22、HZDL22、HZL25、HZDL25、HZL28、HZDL28、HZL31、HZDL31、HZL35、HZDL35、HZL40、HZDL40、HZL45、HZDL45、HZL50、HZDL50、HZL56、HZDL56型垂直出轴混合少齿差行星齿轮减速机型式及主要尺寸JB/T7344-1994(图1) 传真:0312-6784733

HZL、HZDL型垂直出轴混合少齿差行星齿轮减速机型式及主要尺寸 gelufu

HZL16、HZDL16、HZL18、HZDL18、HZL20、HZDL20、HZL22、HZDL22、HZL25、HZDL25、HZL28、HZDL28、HZL31、HZDL31、HZL35、HZDL35、HZL40、HZDL40、HZL45、HZDL45、HZL50、HZDL50、HZL56、HZDL56型垂直出轴混合少齿差行星齿轮减速机型式及主要尺寸JB/T7344-1994(图2)

www.gelufu.com.cn

HZL、HZDL型减速器主要尺寸 /mm

规格
安 装 尺 寸
输 出 轴
输 入 轴
外 形 尺 寸
D
D1
D2
L3
L2
ι3
E
h
R
β
n
d0
d1
(m6)
ι1
b1
t1
d2
(m6)
ι2
b2
t2
L
L0
H
H2
16
300
265
230
472
460
234
109
22
4
22.5°
8
14
60
105
18
64
35
58
10
38
715
727
472
576
18
350
300
250
527
515
234
110
24
5
22.5°
8
18
65
105
18
64
35
58
10
38
770
782
527
616
20
400
350
300
594
537
234
110
26
5
22.5°
8
18
70
105
20
74.5
35
58
10
38
792
804
594
616
22
450
400
350
660
648
308
136
26
6
22.5°
8
18
80
130
22
85
40
82
12
43
953
965
660
771
25
500
450
400
724
708
308
136
30
6
15°
12
22
95
130
25
100
40
82
12
43
1013
1029
724
811
28
550
500
450
828
812
389
173
35
8
15°
12
22
110
165
28
116
60
105
18
64
1202
1218
828
954
31
650
590
530
865
847
389
175
40
10
15°
12
26
120
165
32
127
60
105
18
64
1237
1255
865
994
35
750
670
600
939
921
389
210
45
10
15°
12
32
140
200
36
148
60
105
18
64
1346
1364
939
994
40
850
760
670
907
889
450
250
50
10
15°
12
32
160
240
40
169
70
105
20
74.5
1404
1422
907
1260
45
950
850
750
1082
1064
450
250
55
10
15°
12
32
180
240
45
190
70
105
20
74.5
1579
1597
1082
1260
50
1050
950
850
1203
1185
540
290
60
10
15°
12
32
200
280
45
210
80
130
22
85
1740
1758
1203
1325
56
1150
1050
950
1307
1289
540
290
65
10
15°
12
32
220
280
50
231
80
130
22
85
1844
1862
1307
1325

QQ:47447450

Copyright © 2023-2025 格鲁夫 版权所有 备案号:冀ICP备19023093号-2

电子营业执照图标 电子营业执照