微信:grove_company
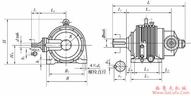
NGW-S型行星齿轮减速机外形及安装尺寸(JB3723-84)
格鲁夫机械
|
机座
号 |
型
号 |
公称传
动比i |
外形及中心高 |
轴伸 |
地脚尺寸 |
质量
(kg) |
油量
(L) | |||||||||||||||||||
|
L |
B |
H |
H0 |
R |
L4 |
L8 |
d |
D |
l1 |
l2 |
t1 |
b1 |
t2 |
b2 |
L1 |
L2 |
L3 |
L0 |
B1 |
d1 |
n | |||||
|
二级减速器 | ||||||||||||||||||||||||||
|
4 |
NGW-S
42 |
11.2~31.5 |
696 |
380 |
425 |
180 0 -0.5 |
180 |
412 |
310 |
35 |
80 |
58 |
130 |
38.0 |
10 |
85 |
22 |
290 |
230 |
30 |
72 |
330 |
M24 |
35 |
180 |
10 |
|
35.5~80 |
30 |
33.0 |
8 | |||||||||||||||||||||||
|
5 |
NGW-S
52 |
11.2~31.5 |
740 |
420 |
463 |
2000 -0.5 |
200 |
450.5 |
350 |
40 |
90 |
82 |
130 |
43.0 |
12 |
95 |
25 |
310 |
250 |
30 |
80.5 |
360 |
M24 |
40 |
290 |
14 |
|
35.5~80 |
35 |
58 |
38.0 |
10 | ||||||||||||||||||||||
|
6 |
NGW-S
62 |
11.2~31.5 |
802 |
475 |
524 |
2250 -0.5 |
225 |
472.5 |
380 |
45 |
100 |
82 |
165 |
48.5 |
14 |
106 |
28 |
360 |
290 |
35 |
67.5 |
405 |
M30 |
45 |
342 |
18 |
|
35.5~80 |
40 |
43.0 |
12 | |||||||||||||||||||||||
|
7 |
NGW-S
72 |
11.2~31.5 |
863 |
535 |
574 |
2500 -0.5 |
250 |
525 |
450 |
50 |
110 |
82 |
165 |
53.5 |
14 |
116 |
28 |
375 |
305 |
35 |
80 |
465 |
M30 |
45 |
420 |
25 |
|
35.5~80 |
45 |
48.5 |
14 | |||||||||||||||||||||||
|
8 |
NGW-S
82 |
11.2~31.5 |
925 |
590 |
634 |
2800 -0.5 |
280 |
584 |
500 |
55 |
120 |
82 |
165 |
59.0 |
16 |
127 |
32 |
440 |
350 |
45 |
86 |
510 |
M36 |
50 |
520 |
35 |
|
35.5~80 |
50 |
53.5 |
14 | |||||||||||||||||||||||
|
9 |
NGW-S
92 |
11.2~31.5 |
1003 |
660 |
721 |
3150 -0.5 |
315 |
622.5 |
530 |
60 |
130 |
105 |
200 |
64.0 |
18 |
137 |
32 |
475 |
385 |
45 |
70.5 |
570 |
M36 |
50 |
630 |
50 |
|
35.5~80 |
55 |
82 |
59.0 |
16 | ||||||||||||||||||||||
|
10 |
NGW-S
102 |
11.2~31.5 |
1077 |
745 |
800 |
3550 -0.5 |
355 |
675.5 |
575 |
65 |
150 |
105 |
200 |
69.0 |
18 |
168 |
36 |
525 |
425 |
50 |
78 |
645 |
M42 |
55 |
950 |
65 |
|
35.5~80 |
60 |
64.0 |
18 | |||||||||||||||||||||||
|
11 |
NGW-S
112 |
11.2~31.5 |
1212 |
840 |
891 |
4000 -0.5 |
400 |
748 |
670 |
75 |
170 |
105 |
240 |
79.5 |
20 |
179 |
40 |
580 |
480 |
50 |
73 |
740 |
M42 |
60 |
1365 |
95 |
|
35.5~80 |
65 |
69.0 |
18 | |||||||||||||||||||||||
|
12 |
NGW-S
122 |
11.2~31.5 |
1344 |
950 |
1013 |
4500 -0.5 |
450 |
828 |
760 |
85 |
190 |
130 |
280 |
90.0 |
24 |
200 |
45 |
680 |
560 |
60 |
73 |
820 |
M48 |
65 |
1900 |
140 |
|
35.5~80 |
75 |
105 |
79.5 |
20 | ||||||||||||||||||||||
|
三级减速器 | ||||||||||||||||||||||||||
|
7 |
NGW-S
73 |
56~160 |
891 |
535 |
574 |
2500 -0.5 |
250 |
572 |
310 |
35 |
110 |
58 |
165 |
38.0 |
10 |
116 |
28 |
375 |
305 |
35 |
80 |
465 |
M30 |
45 |
470 |
25 |
|
180~500 |
30 |
33.0 |
8 | |||||||||||||||||||||||
|
8 |
NGW-S
83 |
56~160 |
968 |
590 |
634 |
2800 -0.5 |
280 |
643.5 |
350 |
40 |
120 |
82 |
165 |
43.0 |
12 |
127 |
32 |
440 |
350 |
45 |
86 |
510 |
M36 |
50 |
570 |
35 |
|
180~500 |
35 |
58 |
38.0 |
10 | ||||||||||||||||||||||
|
9 |
NGW-S
93 |
56~160 |
1058 |
660 |
721 |
3150 -0.5 |
315 |
663.5 |
380 |
45 |
130 |
82 |
200 |
48.5 |
14 |
137 |
32 |
475 |
385 |
45 |
70.5 |
570 |
M36 |
50 |
690 |
50 |
|
180~500 |
40 |
43.0 |
12 | |||||||||||||||||||||||
|
10 |
NGW-S
103 |
56~160 |
1112 |
745 |
800 |
3550 -0.5 |
355 |
739 |
450 |
50 |
150 |
82 |
200 |
53.5 |
14 |
158 |
36 |
525 |
425 |
50 |
78 |
645 |
M42 |
55 |
1010 |
65 |
|
180~500 |
45 |
48.5 |
14 | |||||||||||||||||||||||
|
11 |
NGW-S
113 |
56~160 |
1238 |
840 |
891 |
4000 -0.5 |
400 |
822 |
500 |
55 |
170 |
82 |
240 |
59.0 |
16 |
129 |
40 |
580 |
480 |
50 |
73 |
740 |
M42 |
60 |
1430 |
95 |
|
180~500 |
50 |
53.5 |
14 | |||||||||||||||||||||||
|
12 |
NGW-S
123 |
56~160 |
1459 |
950 |
1013 |
4500 -0.5 |
450 |
1014.5 |
530 |
60 |
190 |
105 |
280 |
64.0 |
18 |
200 |
45 |
680 |
560 |
60 |
73 |
820 |
M48 |
65 |
2000 |
140 |
|
180~500 |
55 |
82 |
59.0 |
16 | ||||||||||||||||||||||