格鲁夫减速机
|
规格
型号 |
减速比 |
相配减速
机型号 |
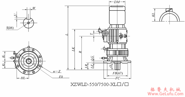
长 |
宽 |
输出端联接尺寸 | |||||||||||
|
L |
LK |
R |
K1 |
K2 |
DM |
KL |
FC |
FB |
FA |
LR |
LE |
LG |
n-Z | |||
|
XZWLD-550-XL |
11,17 |
×3 |
694 |
403 |
338 |
110 |
72 |
175 |
150 |
230 |
170 |
200 |
50 |
4 |
15 |
6-11 |
|
23,29,35,43 |
×4 |
744 |
453 |
388 |
110 |
72 |
175 |
150 |
260 |
200 |
230 |
78 |
4 |
15 |
6-11 | |
|
59,71 |
|
|
|
|
|
|
|
|
|
|
|
|
|
|
| |
|
XZWLD-750-XL |
11,17,23,29 |
×4 |
777 |
481 |
397 |
123 |
86 |
175 |
150 |
260 |
200 |
230 |
78 |
4 |
15 |
6-11 |
|
35,43,59,71 |
|
|
|
|
|
|
|
|
|
|
|
|
|
|
| |
|
XZWLD-1500-XL |
11,17,23 |
×5 |
927 |
556 |
479 |
175 |
117 |
195 |
160 |
340 |
270 |
310 |
91 |
4 |
20 |
6-15 |
|
29,35,54,59,71,87 |
×6 |
978 |
607 |
530 |
175 |
117 |
195 |
160 |
400 |
316 |
360 |
92 |
5 |
22 |
8-15 | |
|
XZWLD-2200-XL |
11,17 |
×5 |
1005 |
598 |
503 |
185 |
127 |
215 |
180 |
340 |
270 |
310 |
91 |
4 |
20 |
6-15 |
|
23,29 |
×6 |
1063 |
656 |
561 |
185 |
127 |
215 |
180 |
400 |
316 |
360 |
92 |
5 |
22 |
8-15 | |
|
35,43,59,71,87 |
×7 |
1098 |
691 |
596 |
185 |
127 |
215 |
180 |
430 |
345 |
390 |
111 |
5 |
22 |
8-18 | |
|
XZWLD-3000-XL |
11,17,23 |
×6 |
1074 |
669 |
566 |
185 |
125 |
215 |
180 |
400 |
316 |
360 |
92 |
5 |
22 |
8-15 |
|
29,35,43,59,71,87 |
×7 |
1110 |
705 |
603 |
185 |
125 |
215 |
180 |
430 |
345 |
390 |
111 |
5 |
22 |
8-18 | |
|
XZWLD-4000-XL |
11,17 |
×6 |
1109 |
689 |
582 |
185 |
127 |
240 |
190 |
400 |
316 |
360 |
92 |
5 |
22 |
8-15 |
|
23 |
×7 |
1142 |
722 |
615 |
185 |
127 |
240 |
190 |
430 |
345 |
390 |
111 |
5 |
22 |
8-18 | |
|
29,35,43,59,71,87 |
×8 |
1208 |
788 |
680 |
185 |
127 |
240 |
190 |
490 |
400 |
450 |
121.5 |
6 |
30 |
12-18 | |
|
XZWLD-5500-XL |
11 |
×6 |
1280 |
885 |
626 |
241 |
162 |
275 |
210 |
400 |
316 |
360 |
42 |
5 |
22 |
8-15 |
|
17 |
×7 |
1321 |
926 |
667 |
241 |
162 |
275 |
210 |
430 |
345 |
390 |
111 |
5 |
22 |
8-18 | |
|
23,29,35,43,59,71,87 |
×8 |
1385 |
990 |
731 |
241 |
162 |
275 |
210 |
490 |
400 |
450 |
121.5 |
6 |
30 |
12-18 | |
|
XZWLD-7500-XL |
11,17,23,29,35,43,
59,71,87 |
×8 |
1494 |
1059 |
753 |
238 |
157 |
275 |
210 |
490 |
400 |
450 |
121.5 |
6 |
30 |
12-18 |
|
规格
型号 |
减速比 |
相配减速
机型号 |
手轮尺寸 |
输出轴端尺寸 |
重量/kg |
油量/L | |||||
|
T |
HS×HQ |
HL |
Q |
S |
W×U |
变速部 |
减速部 | ||||
|
XZWLD-550-XL |
11,17 |
×3 |
26 |
10×15 |
115 |
43 |
35 |
10×5 |
69 |
|
|
|
23,29,35,43 |
×4 |
26 |
10×15 |
115 |
58 |
45 |
14×5.5 |
80 |
1,0 |
| |
|
59,71 |
|
|
|
|
|
|
|
|
|
| |
|
XZWLD-750-XL |
11,17,23,29 |
×4 |
27 |
10×15 |
114 |
58 |
45 |
14×5.5 |
84 |
|
|
|
35,43,59,71 |
|
|
|
|
|
|
|
|
1,9 |
| |
|
XZWLD-1500-XL |
11,17,23 |
×5 |
40.5 |
12×20 |
147 |
74 |
55 |
16×6 |
145 |
|
|
|
29,35,54,59,71,87 |
×6 |
40.5 |
12×20 |
147 |
80 |
65 |
18×7 |
183 |
2,7 |
| |
|
XZWLD-2200-XL |
11,17 |
×5 |
40.5 |
12×20 |
171 |
74 |
55 |
16×6 |
185 |
|
|
|
23,29 |
×6 |
40.5 |
12×20 |
171 |
80 |
65 |
18×7 |
225 |
4,8 |
| |
|
35,43,59,71,87 |
×7 |
40.5 |
12×20 |
171 |
100 |
80 |
22×9 |
272 |
|
| |
|
XZWLD-3000-XL |
11,17,23 |
×6 |
40.5 |
12×20 |
179 |
89 |
65 |
18×7 |
233 |
5,4 |
|
|
29,35,43,59,71,87 |
×7 |
40.5 |
12×20 |
179 |
100 |
80 |
22×9 |
280 |
|
| |
|
XZWLD-4000-XL |
11,17 |
×6 |
40.5 |
12×20 |
185 |
89 |
65 |
18×7 |
268 |
|
|
|
23 |
×7 |
40.5 |
12×20 |
185 |
100 |
80 |
22×9 |
315 |
5,5 |
| |
|
29,35,43,59,71,87 |
×8 |
40.5 |
12×20 |
185 |
110 |
90 |
25×7 |
395 |
|
| |
|
XZWLD-5500-XL |
11 |
×6 |
60 |
25×32 |
220 |
89 |
65 |
18×7 |
413 |
|
|
|
17 |
×7 |
60 |
25×32 |
220 |
100 |
80 |
22×9 |
460 |
8,0 |
| |
|
23,29,35,43,59,71,87 |
×8 |
60 |
25×32 |
220 |
110 |
90 |
25×9 |
540 |
|
| |
|
XZWLD-7500-XL |
11,17,23,29,35,43,
59,71,87 |
×8 |
60 |
25×32 |
249 |
110 |
90 |
25×9 |
560 |
8,8 |
|