mail:china@gelufu.com
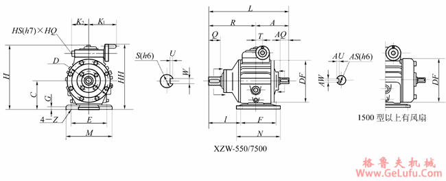
XZW系列(双轴型)外形及安装尺寸
gelufu
电话:0312-6784766
|
代号 |
长 |
宽 |
高 |
地脚尺寸 |
输出轴端尺寸 |
输入轴端尺寸 |
手轮尺寸 |
重量
/kg |
油量
/L | |||||||||||||||||||
|
型号 |
L |
A |
R |
D |
K1 |
K2 |
DF |
HH |
H |
HC |
C |
N |
F |
I |
M |
E |
G |
Z |
Q |
S |
W×U |
AQ |
AS |
AW×AU |
T |
HS×HQ | ||
|
XZW-550 |
290 |
121 |
169 |
200 |
110 |
72 |
190 |
270 |
260 |
230 |
115 |
190 |
160 |
88 |
160 |
130 |
15 |
9 |
34 |
24 |
8×4 |
30 |
15 |
5×3 |
26 |
10×15 |
25 |
0.8 |
|
XZW-750 |
346 |
145 |
201 |
210 |
123 |
86 |
190 |
274 |
270 |
234 |
120 |
230 |
170 |
115 |
170 |
140 |
17 |
13 |
48 |
24 |
8×4 |
38 |
20 |
8×4 |
27 |
10×15 |
30 |
2.0 |
|
XZW-1500 |
445 |
227 |
218 |
254 |
175 |
117 |
270 |
361 |
345 |
301 |
154 |
270 |
230 |
116 |
200 |
160 |
20 |
11 |
55 |
32 |
10×5 |
50 |
24 |
8×4 |
40.5 |
12×20 |
48 |
1.5 |
|
XZW-2200 |
482 |
236 |
246 |
300 |
185 |
127 |
310 |
411 |
398 |
351 |
180 |
310 |
260 |
131 |
260 |
210 |
22 |
15 |
55 |
32 |
10×5 |
50 |
24 |
8×4 |
40.5 |
12×20 |
79 |
2.5 |
|
XZW-3000 |
510 |
252 |
258 |
315 |
185 |
125 |
325 |
429 |
414 |
369 |
190 |
320 |
265 |
146 |
270 |
220 |
22 |
15 |
60 |
35 |
10×5 |
50 |
25 |
8×4 |
40.5 |
12×20 |
90 |
3.0 |
|
XZW-4000 |
555 |
272 |
283 |
325 |
185 |
127 |
335 |
441 |
428 |
381 |
196 |
330 |
270 |
158 |
280 |
230 |
25 |
15 |
70 |
42 |
12×5 |
50 |
28 |
8×4 |
40.5 |
12×20 |
150 |
3.5 |
|
XZW-5500 |
709 |
349 |
360 |
410 |
241 |
162 |
400 |
530 |
514 |
455 |
235 |
425 |
375 |
205 |
340 |
290 |
30 |
19 |
101 |
55 |
16×6 |
80 |
40 |
12×5 |
60 |
25×32 |
180 |
5.0 |
|
XZW-7500 |
776 |
392 |
384 |
440 |
238 |
157 |
440 |
573 |
554 |
498 |
249 |
490 |
425 |
218 |
365 |
300 |
30 |
19 |
100 |
55 |
16×6 |
80 |
48 |
14×5.5 |
60 |
25×32 |
220 |
7.5 |