mail:china@gelufu.com
格鲁夫齿轮箱
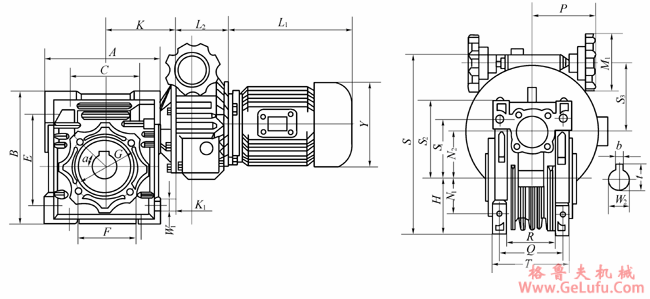
|
型号 |
B |
E |
F |
G |
A |
C |
W1 |
a |
M |
K1 |
K |
L2 |
L1 |
Y |
S |
|
BWJ40A-i-0.18K |
121.5 |
90 |
φ60 |
φ75 |
102 |
70 |
φ7 |
45° |
4-M6 |
35 |
77 |
74 |
220 |
φ140 |
234 |
|
BWJ50A-i-0.37/0.25K |
144 |
104 |
φ70 |
φ85 |
121 |
80 |
φ9 |
45° |
4-M8 |
35 |
86.5 |
74 |
220 |
φ140 |
220 |
|
BWJ63A-i-0.75/0.55K |
174 |
130 |
φ80 |
φ95 |
145 |
100 |
φ9 |
0° |
8-M8 |
41 |
119 |
90 |
245 |
φ165 |
266 |
|
BWJ70-i-0.75/0.55K |
200 |
145 |
φ80 |
φ100 |
179 |
120 |
φ11 |
45° |
4-M8 |
41 |
129 |
90 |
245 |
φ165 |
286 |
|
BWJ75A-i-1.5/1.1K |
205 |
153 |
φ95 |
φ115 |
172 |
120 |
φ11 |
45° |
4-M8 |
72.5 |
130 |
117 |
285 |
φ200 |
315 |
|
BWJ110A-i-4K |
294 |
210 |
φ130 |
φ165 |
252.5 |
170 |
φ14 |
45° |
8-M10 |
88 |
160 |
145 |
- |
- |
428.5 |
|
BWJ130A-i-7.5K |
334 |
240 |
φ180 |
φ215 |
292.5 |
200 |
φ16 |
45° |
8-M12 |
104.5 |
180 |
160 |
- |
- |
541.5 |
|
型号 |
H |
N1 |
N2 |
S1 |
S2 |
T |
Q |
R |
W2 |
t |
b |
S3 |
M1 |
P |
|
BWJ40A-i-0.18K |
50 |
34.2 |
40 |
55.8 |
71.5 |
71 |
60 |
43 |
φ19 |
20.8 |
6 |
85 |
φ85 |
90 |
|
BWJ50A-i-0.37/0.25K |
60 |
40 |
50 |
64 |
84 |
85 |
70 |
49 |
φ25 |
28.3 |
8 |
85 |
φ85 |
90 |
|
BWJ63A-i-0.75/0.55K |
72 |
50 |
63 |
80 |
102 |
103 |
85 |
67 |
φ25 |
28.3 |
8 |
108 |
φ85 |
120 |
|
BWJ70-i-0.75/0.55K |
86 |
58.5 |
70 |
86.5 |
114 |
120 |
100 |
80 |
φ28 |
31.3 |
8 |
108 |
φ85 |
120 |
|
BWJ75A-i-1.5/1.1K |
86 |
60 |
75 |
93 |
119 |
112 |
90 |
72 |
φ28 |
31.3 |
8 |
127 |
φ110 |
147 |
|
BWJ110A-i-4K |
127.5 |
85 |
110 |
125 |
167.5 |
142 |
115 |
- |
φ42 |
45.3 |
12 |
- |
φ110 |
180 |
|
BWJ130A-i-7.5K |
147.5 |
100 |
130 |
140 |
187.5 |
154 |
120 |
- |
φ45 |
48.8 |
14 |
- |
φ110 |
225 |