电话:0312-6784766
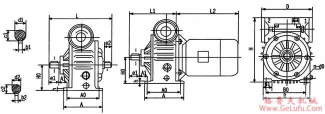
MBW、MBWY基型甲板卧式图及安装尺寸 gelufu.com.cn
gelufu.com
|
机型号 |
中心高 |
安装尺寸 |
轴伸联接尺寸 |
外形尺寸 | |||||||||||||||||||
|
H0 |
A0 |
A1 |
B0 |
B1 |
h |
n |
do |
输出轴 |
输入轴 |
D |
B |
H |
A |
双轴型 |
直联型 | ||||||||
|
d1 |
b1 |
c1 |
e1 |
d2 |
b2 |
c2 |
e2 |
L |
L1 |
L2 | |||||||||||||
|
02 |
75 |
105 |
18 |
110 |
25 |
13 |
4 |
9 |
14js6 |
5 |
16 |
30 |
14js6 |
5 |
16 |
25 |
165 |
146 |
205 |
125 |
195 |
130 |
200 |
|
04 |
90 |
105 |
30 |
120 |
30 |
15 |
4 |
10 |
14js6 |
5 |
16 |
30 |
14js6 |
5 |
16 |
30 |
170 |
160 |
231 |
135 |
221 |
145 |
235 |
|
07 |
106 |
125 |
35 |
160 |
40 |
15 |
4 |
12 |
20js6 |
6 |
22.5 |
40 |
19js6 |
6 |
21.5 |
30 |
200 |
190 |
260 |
150 |
243 |
177 |
245 |
|
15 |
125 |
140 |
50 |
180 |
50 |
18 |
4 |
12 |
25js6 |
8 |
28 |
50 |
24js6 |
8 |
27 |
40 |
240 |
230 |
291 |
165 |
314 |
223 |
285 |
|
22 |
150 |
230 |
25 |
245 |
55 |
20 |
4 |
14 |
30js6 |
8 |
33 |
60 |
24js6 |
8 |
27 |
50 |
290 |
300 |
348 |
270 |
387 |
268 |
320 |
|
40 |
150 |
230 |
25 |
245 |
55 |
20 |
4 |
14 |
30js6 |
8 |
33 |
60 |
24js6 |
8 |
27 |
50 |
290 |
300 |
348 |
270 |
387 |
268 |
340 |
|
55 |
200 |
250 |
33 |
315 |
70 |
30 |
4 |
18 |
35js6 |
10 |
38 |
70 |
32js6 |
10 |
35 |
60 |
430 |
365 |
476 |
290 |
467 |
319 |
395 |
|
75 |
200 |
250 |
33 |
315 |
70 |
30 |
4 |
18 |
35js6 |
10 |
38 |
70 |
32js6 |
10 |
35 |
60 |
430 |
365 |
476 |
290 |
467 |
319 |
435 |
|
注:所有图形中,手轮为1为常用位置,2为特殊要求位置。本系列变速器选用基型为Y系列三相异步电动机 | |||||||||||||||||||||||