www.gelufu.com.cn


|
11 |
小盖 |
1 |
HT200GB9439-88 |
WCB GB12229-88 |
|
10 |
小蜗轮 |
1 |
QT500-7GB1349-88 |
|
|
9 |
大蜗杆 |
1 |
45GB699-88 |
|
|
8 |
大壳体 |
1 |
HT200GB9439-88 |
WCB GB12229-88 |
|
7 |
左端盖 |
1 |
HT200GB9439-88 |
WCB GB12229-88 |
|
6 |
手轮 |
1 |
HT200GB9439-88 |
WCB GB12229-88 |
|
5 |
小端盖 |
1 |
HT200GB9439-88 |
WCB GB12229-88 |
|
4 |
小蜗杆 |
1 |
45GB699-88 |
|
|
3 |
小壳体 |
1 |
HT200GB9439-88 |
WCB GB12229-88 |
|
2 |
大蜗轮 |
1 |
QT500-7GB1348-88 |
|
|
1 |
提示盘 |
1 |
Q235AGB700-88 |
|
|
序号 |
名称 |
数量 |
材料 |
可选材料 |

|
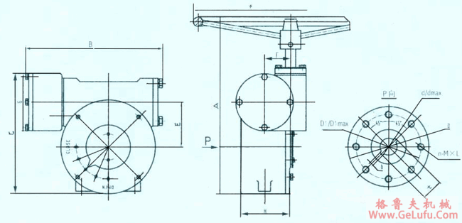
型号 |
适用通径 |
d |
dmax |
b |
t |
D |
D1 |
D1max |
n-M×L |
A |
B |
C |
E |
F |
G |
H |
φ |
输出扭矩 |
重量kg |
|
XJ350 |
450~500 |
41.3 |
54 |
9.53 |
46 |
230 |
158.75 |
165 |
4-M18×26 |
435 |
339 |
295 |
110 |
63 |
140 |
130 |
450 |
3000 |
42 |
|
165 |
4-M20×26 | ||||||||||||||||||
|
XJ420 |
600 |
50.8 |
12.7 |
56.8 |
255 |
165 |
216 |
8-M20×26 |
453 |
348 |
323 |
125 |
4000 |
55 | |||||
|
215.9 |