减速机(WWJ050型尺寸图)">
格鲁夫丝杆升降机
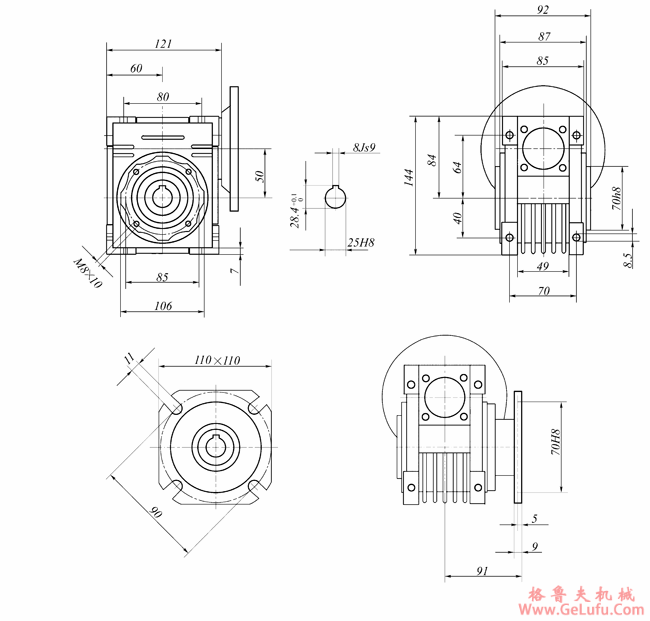
WWJ050型尺寸图是WWJ系列蜗杆减速器设计与选型过程中的核心工程图纸,它精确、直观地展示了该型号减速机的所有关键安装尺寸与外形轮廓。对于设备工程师、机械设计师及采购人员而言,深入理解这份尺寸图是确保减速机能够被正确、高效集成到各类传动系统中的首要步骤。WWJ系列蜗杆减速机以其结构紧凑、传动比大、运行平稳及具备自锁功能等特点,广泛应用于包装机械、食品加工、输送设备、自动化流水线等需要大减速比和空间受限的场合。 邮箱:china@gelufu.com

上图所示为WWJ050型蜗轮蜗杆减速机的主体尺寸详图。图中清晰标注了减速机箱体的总长、总宽、总高,输入轴与输出轴的中心高、轴径、键槽尺寸,以及安装底座的孔距与孔径。这些尺寸是进行机械结构设计、安装板加工和联轴器选配的直接依据。例如,输出轴的尺寸公差与键槽规格直接关系到与工作机(如滚筒、链轮)的连接可靠性,而底脚安装孔的分布则决定了减速机在设备机架上的固定方式。蜗轮蜗杆减速机的核心优势在于其单级即可实现较大的减速比,WWJ050型正是这一特性的典型代表,其紧凑的箱体设计在实现强大减速能力的同时,最大限度地节省了安装空间。 格鲁夫丝杆升降机

第二张附图通常用于展示减速机的侧视剖面或重点部位的细节尺寸,例如油封位置、透气塞接口或可选附件(如逆止器、风扇)的接口尺寸。理解这些细节对于设备的长期稳定运行至关重要。以润滑为例,WWJ系列蜗杆减速器内部通常采用浸油润滑,图中标示的油位观察窗或注油孔位置,指导用户正确加注润滑油种类和容量,这是保证蜗轮副良好润滑、降低磨损、防止过热的关键。此外,尺寸图中可能还会标明输入轴伸的形式(实心轴或空心轴),这为用户选择电机连接方式(直联或通过皮带轮/链轮)提供了灵活性。 手机:13331225020
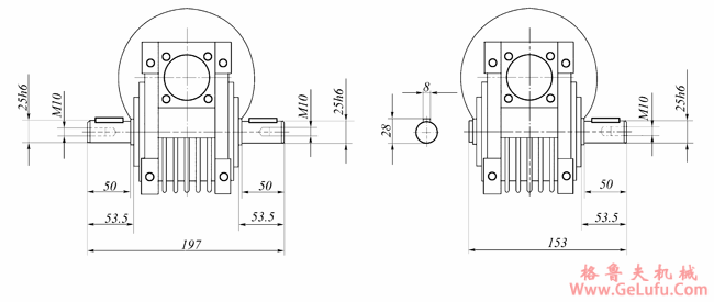
在实际应用案例中,例如在一套自动化搅拌设备里,工程师需要根据搅拌桨所需的最终转速和扭矩来选定WWJ050型减速机,并依据其尺寸图在设备支架上精准定位开孔,确保输入轴与驱动电机对中,输出轴与搅拌轴可靠连接。任何基于尺寸图的错误安装都可能导致附加弯矩、振动加剧、轴封过早损坏甚至传动失效。因此,建议在安装前,不仅参考图纸,还应结合WWJ系列蜗杆减速机的详细安装使用说明书,综合考虑负载特性、工作环境温度、连续运行时间等因素。
微信:grove_company
总之,WWJ050型尺寸图不仅仅是一张简单的产品轮廓图,它是连接产品性能与现场应用的技术桥梁。通过对尺寸图中每一个符号、每一条标注线的准确解读,用户可以最大化地发挥WWJ系列蜗轮蜗杆减速机的性能潜力,确保传动系统高效、可靠、长久地运行。在选择和使用此类减速机时,务必以官方提供的尺寸图和技术参数为准,如有疑问,应及时咨询专业技术人员或供应商。 QQ:20275456