您好,欢迎进入格鲁夫机械设备制造有限公司官网!
减速机|丝杆升降机|减速电机|行业专用减速机|减速机配件|减速机厂|丝杆升降机厂|转向器厂

联系我们

邮箱:china@gelufu.com
电话:0312-6784766
在线咨询

蜗轮减速机

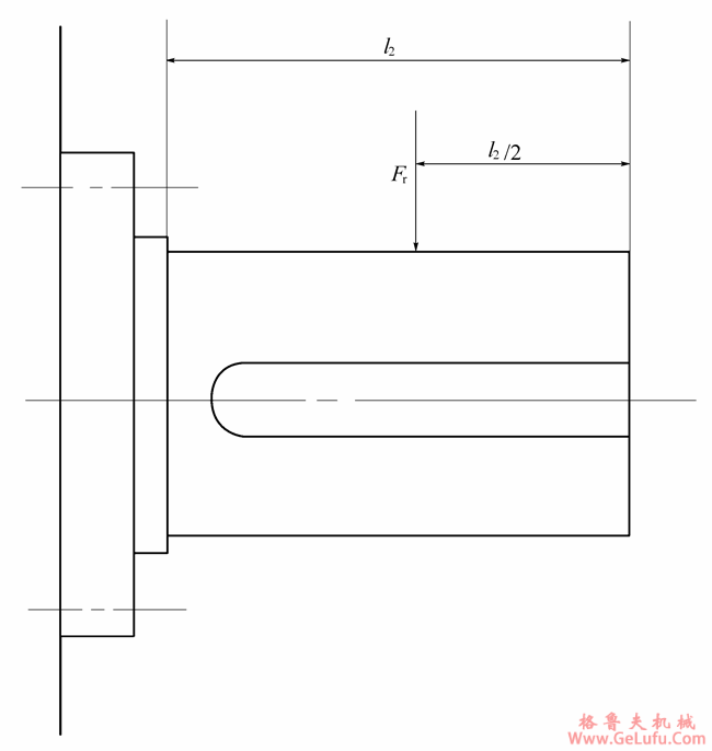
PW型蜗杆减速机输出轴轴端许用径向力F(GB/T16449-1996)

发布日期:2023-12-28 18:27 浏览次数:

PW型蜗杆减速机输出轴轴端许用径向力F(GB/T16449-1996)(图1)减速机输出轴轴端许用径向力F(GB/T16449-1996)"> gelufu

PW型蜗杆减速器输出轴轴端许用径向力F

QQ:20275456

PW型蜗杆减速机输出轴轴端许用径向力F(GB/T16449-1996)(图2)减速机输出轴轴端许用径向力F(GB/T16449-1996)">

fax:0312-6784733

PW型蜗杆减速机输出轴轴端许用径向力概述

PW型蜗杆减速器输出轴轴端许用径向力F,是衡量该型减速机机械性能与承载能力的关键参数之一。根据国家标准GB/T16449-1996《PW型平面二次包络环面蜗杆减速机》的规定,许用径向力F1是指在减速器输出轴轴伸的指定位置(通常为轴伸中点),允许持续作用的最大径向载荷。这一参数对于确保PW型蜗杆减速机在传动系统中的安全、稳定运行至关重要,直接关系到设备的使用寿命和可靠性。 www.gelufu.com

在工程应用中,PW型平面二次包络环面蜗杆减速机(GB-T16449-1996)因其传动比大、承载能力高、运行平稳等优点,被广泛应用于冶金、矿山、起重、化工等重型机械领域。这些场合的传动系统往往伴随着较大的径向载荷,例如皮带轮、链轮或齿轮等外部传动件传递到减速机输出轴上的力。如果实际作用的径向力超过了标准规定的许用值,可能导致输出轴的弯曲变形、轴承的异常磨损甚至失效,进而引发振动加剧、传动精度下降,严重时会造成轴断裂等设备故障。 WX:grove_company

因此,在选用和设计PW型蜗轮蜗杆减速机时,工程师必须根据实际工况中作用于输出轴轴端的径向力大小,对照标准中的许用值表进行严格校核。许用径向力的数值主要取决于减速机的中心距,中心距越大,通常意味着减速机的整体尺寸和结构强度越高,其输出轴能够承受的径向力也相应增大。下表清晰地列出了不同中心距下的具体许用径向力数值,为设计与选型提供了直接依据。 gelufu

许用径向力F1
中心距/mm
80
100
125
140
160
180
200
225
250
280
315
355
400
450
500
560
630
710
许用径向力/N
2250
3500
5000
6500
9000
11000
14000
17000
21700
27000
31000
35000
40000
43000
46000
49000
52000
56000

需要特别注意的是,标准GB/T16449-1996中给出的许用径向力F1值,是在特定工况条件下(如载荷平稳、作用点位置固定)得出的。若实际应用中存在冲击载荷、轴向力与径向力复合作用,或者径向力作用点偏离轴伸中点等情况,需根据标准中的相关说明或通过更详细的计算进行修正。严格遵守许用径向力的规定,是充分发挥PW型平面二次包络环面蜗杆减速机优异性能,保障整个传动系统长期、高效、无故障运行的基础。 格鲁夫齿轮箱

Copyright © 2023-2025 格鲁夫 版权所有 备案号:冀ICP备19023093号-2

电子营业执照图标 电子营业执照
选择语言
Hello,欢迎来咨询~