您好,欢迎进入格鲁夫机械设备制造有限公司官网!
减速机|丝杆升降机|减速电机|行业专用减速机|减速机配件|减速机厂|丝杆升降机厂|转向器厂

联系我们

邮箱:china@gelufu.com
电话:0312-6784766
在线咨询

丝杆升降机

伞齿轮箱(MGB)

发布日期:2023-12-28 20:47 浏览次数:

伞齿轮箱(MGB)(图1) 手机:13331225020

伞齿轮箱(MGB) 格鲁夫齿轮箱

伞齿轮箱(MGB)(图2) Tel:0312-6784766

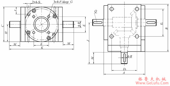
型号 CS2.5 -MGB CS5 -MGB CS10 -MGB CS25 -MGB CS50 -MGB
Ratio 1:1 1:1 1:1 1:1 1:1
A 70 98 98 121 121
B 72 104 104 134.5 134.5
C 50 62 75 82 117
D1±0.2 38 60 60 78 78
E 24 32.5 35 44 55
E1±0.2 38 60 60 78 78
F M6 M8 M8 M8 M10
G 10 12 12 12 15
H 25 31 37.5 41 58.5
J 66 86 91 119 129
K 110 142 152 185 205
M 19 21 26 30 40
Q 3*3*14 3*3*18 5*5*20 5*5*36 6*6*36
ΦRj6 9 10 14 16 20
S1 M6 M6 M8 M8 M10
T 13 13 15 15 16

注:如需要其他规格可根据用户实际需要定制。 WX:grove_company

Copyright © 2023-2025 格鲁夫 版权所有 备案号:冀ICP备19023093号-2

电子营业执照图标 电子营业执照
选择语言
Hello,欢迎来咨询~