www.gelufu.com


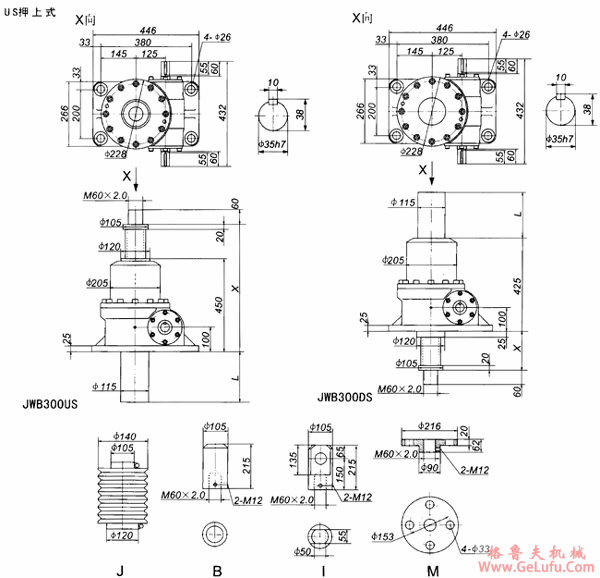
|
行程(mm) |
US |
DS |
m(kg) | ||||||||
|
X |
X⑴ |
L |
X |
X⑴ |
L | ||||||
|
MIN |
MAX |
MIN |
MAX |
MIN |
MAX |
MIN |
MAX | ||||
|
100 |
406 |
506 |
416 |
516 |
136 |
42 |
142 |
52 |
152 |
136 |
65 |
|
200 |
406 |
606 |
416 |
616 |
236 |
42 |
242 |
52 |
252 |
236 |
68 |
|
300 |
406 |
706 |
431 |
731 |
351 |
42 |
342 |
67 |
367 |
351 |
72 |
|
400 |
406 |
806 |
431 |
831 |
451 |
42 |
442 |
67 |
467 |
451 |
76 |
|
500 |
406 |
906 |
456 |
956 |
576 |
42 |
542 |
92 |
592 |
576 |
80 |
|
600 |
406 |
1006 |
456 |
1056 |
676 |
42 |
642 |
92 |
692 |
676 |
83 |
|
800 |
406 |
1206 |
471 |
1271 |
891 |
42 |
842 |
107 |
907 |
891 |
90 |
|
1000 |
406 |
1406 |
481 |
1481 |
1101 |
42 |
1042 |
117 |
1117 |
1101 |
97 |
|
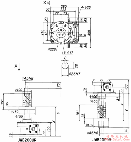
行程(mm) |
UR | |||
|
X |
Y |
m(kg) | ||
|
MIN |
MAX | |||
|
100 |
237 |
337 |
503 |
56 |
|
200 |
237 |
437 |
603 |
58 |
|
300 |
237 |
537 |
703 |
60 |
|
400 |
237 |
637 |
803 |
62 |
|
500 |
237 |
737 |
903 |
65 |
|
600 |
237 |
837 |
1003 |
67 |
|
800 |
237 |
1037 |
1203 |
71 |
|
1000 |
237 |
1237 |
1403 |
76 |
|
1200 |
237 |
1437 |
1603 |
80 |
|
行程(mm) |
DR | |||
|
X |
Y |
m(kg) | ||
|
MIN |
MAX | |||
|
100 |
232 |
332 |
342 |
56 |
|
200 |
232 |
432 |
442 |
58 |
|
300 |
232 |
532 |
542 |
60 |
|
400 |
232 |
632 |
642 |
62 |
|
500 |
232 |
732 |
742 |
65 |
|
600 |
232 |
832 |
842 |
67 |
|
800 |
232 |
1032 |
1042 |
71 |
|
1000 |
232 |
1232 |
1242 |
76 |
|
1200 |
232 |
1432 |
1442 |
80 |