您好,欢迎进入格鲁夫机械设备制造有限公司官网!
减速机|丝杆升降机|减速电机|行业专用减速机|减速机配件|减速机厂|丝杆升降机厂|转向器厂

联系我们

邮箱:china@gelufu.com
电话:0312-6784766
地址:莲池区焦庄乡 在线咨询

丝杆升降机

JWM002丝杠升降机外形尺寸表

发布日期:2023-12-28 20:47 浏览次数:

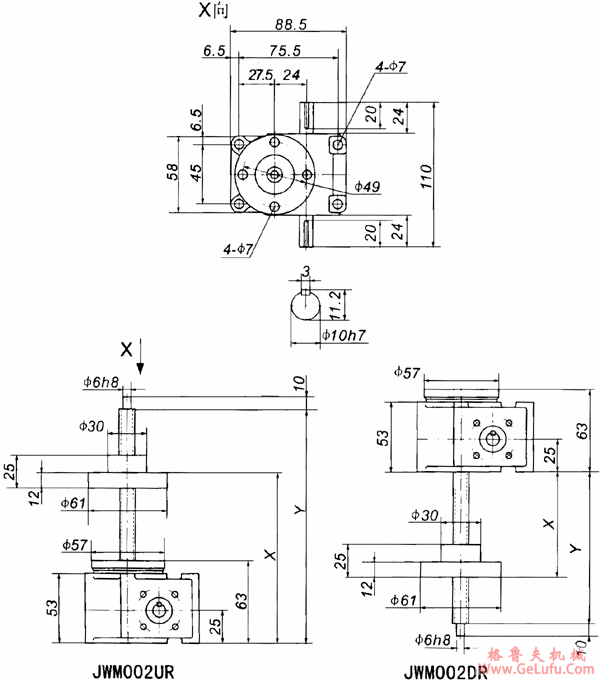
JWM002丝杠升降机外形尺寸表(图1) QQ:47447450

JWM002丝杠升降机外形尺寸 Tel:0312-6784766

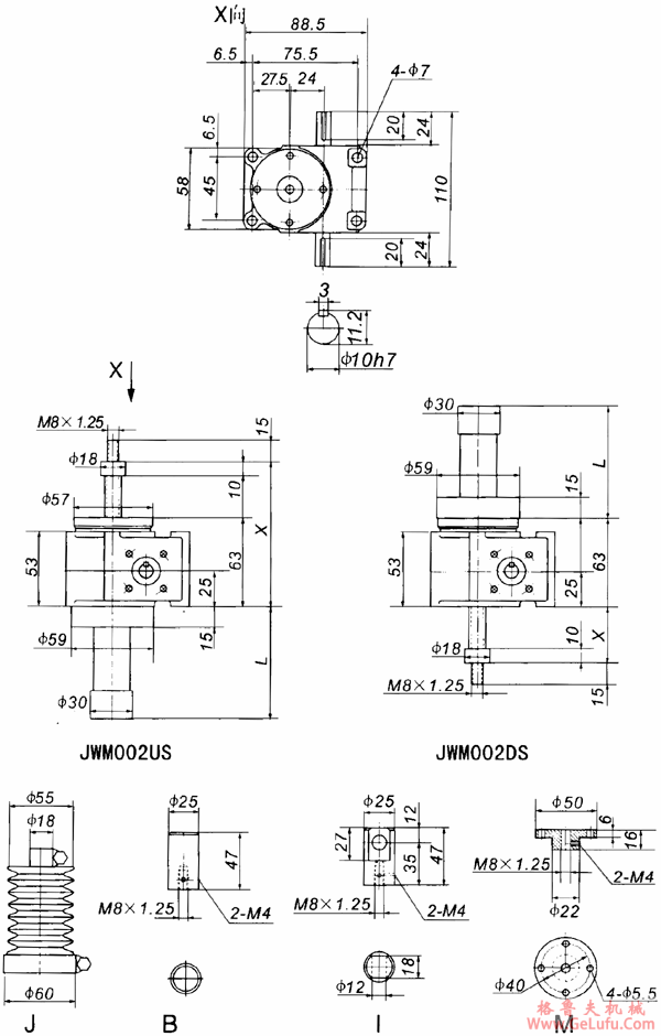
JWM002丝杠升降机外形尺寸表(图2) mail:china@gelufu.com

JWM002丝杠升降机外形尺寸表(图3)

WX:grove_company

备注:①JWH外形基本相同JWB,选型时另咨询。
②UM、DM型结构的基本尺寸与US、DS的基本相同,选型时另咨询。
③X为加防尘罩时尺寸。
JWM002
行程(mm)
US
X
X
L
m(kg)
MIN
MAX
MIN
MAX
100
73
173
127
227
184
2.3
200
73
273
127
327
284
2.4
300
73
373
167
467
424
2.6
400
73
473
167
567
524
2.7
行程(mm)
DS
X
X
L
m(kg)
MIN
MAX
MIN
MAX
100
20
120
65
165
184
2.3
200
20
220
65
265
284
2.4
300
20
320
105
405
424
2.6
400
20
420
105
505
524
2.7
行程(mm)
UR
X
Y
m(kg)
MIN
MAX
100
84
184
207
2.6
200
84
284
307
2.6
300
84
384
407
2.7
400
84
484
507
2.8
行程(mm)
DR
X
Y
m(kg)
MIN
MAX
100
35
135
145
2.6
200
35
235
245
2.6
300
35
335
345
2.7
400
35
435
445
2.8

Copyright © 2023-2025 格鲁夫 版权所有 备案号:冀ICP备19023093号-2

电子营业执照图标 电子营业执照