您好,欢迎进入格鲁夫机械设备制造有限公司官网!
|
网站地图
|
Tag标签
|
在线留言
|
联系我们
网站首页
Home
关于我们
ABOUT US
关于我们
售后保障
产品中心
PRODUCT
蜗轮减速机
齿轮减速机
丝杆升降机
减速电机
精密减速机
行业专用减速机
联轴器
摆线针轮减速机
技术文章
NEWS
蜗轮减速机
齿轮减速机
摆线针轮减速机
精密减速机
丝杆升降机
行星齿轮减速机
行业专用减速机
联轴器
减速机相关
问题解疑
减速电机
无极变速器
国外及港台减速机
电机
合作案例
CASE
售后服务
service
在线留言
MESSAGE
联系我们
CONTACT US
技术文章
蜗轮减速机
齿轮减速机
摆线针轮减速机
精密减速机
丝杆升降机
行星齿轮减速机
行业专用减速机
联轴器
减速机相关
问题解疑
减速电机
无极变速器
国外及港台减速机
电机
推荐产品
LZ5弹性柱销齿
WGP11带制动
GⅠCLZ11型
GⅡCL14型鼓
联系我们
邮箱:
china@gelufu.com
电话:
0312-6784766
在线咨询
主页
>
技术文章
>
丝杆升降机
丝杆升降机
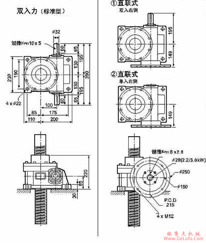
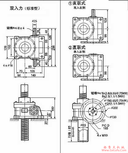
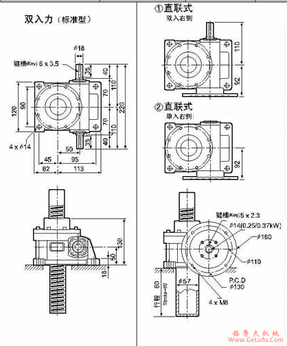
WSH系列蜗杆升降机附图
发布日期:2023-12-28 20:47
浏览次数:
邮箱:china@gelufu.com
WSH系列蜗杆升降机附图
上一篇:WSH系列蜗杆升降机螺杆升降行程与螺杆长度计算
下一篇:THK系列蜗轮丝杆升降机
查看更多 >>
推荐资讯
LM型圆柱蜗轮减速机功能详解:蜗轮蜗杆减
LM型圆柱蜗轮减速机简介,LM型圆柱蜗轮减速机特点,LM型圆柱蜗轮减速机参数,LM型圆柱蜗轮减速机具体型号,LM型圆柱蜗...
WRSY系列蜗轮蜗杆减速机产品特点及性能
WR型蜗杆减速机简介,WR型蜗杆减速机特点,WR型蜗杆减速机参数,WR型蜗杆减速机具体型号,WR型蜗杆减速机3D实体模型...
YKS、YKSO、YKSA型减速机传动比
YK系列圆锥―圆柱齿轮减速机YB/T050-93简介,YK系列圆锥―圆柱齿轮减速机YB/T050-93特点,YK系列圆锥...
NMRV型蜗杆减速机(Q-JF 01-1
本文提供NMRV30、NMRV40、NMRV50、NMRV63、NMRV75、NMRV90、NMRV110、NMRV13...
选择语言
×
Українська
Norsk
Cymraeg
Nederlands
日本語
Filipino
English
ລາວ
తెలుగు
Română
नेपाली
Français
Kreyòl Ayisyen
Čeština
Svenska
Русский
Malagasy
မြန်မာစာ
پښتو
ไทย
Հայերեն
简体中文
فارسی
繁體中文
Kurdî
Türkçe
हिन्दी
Български
Bahasa Melayu
Kiswahili
ଓଡ଼ିଆ
Íslenska
Gaeilge
ភាសាខ្មែរ
ગુજરાતી
Slovenčina
ಕನ್ನಡ
עברית
Magyar
मराठी
தமிழ்
Eesti
മലയാളം
Inuktitut
العربية
Deutsch
Slovenščina
বাংলা
اردو
Azərbaycan
Português
Samoan
Afrikaans
Tongan
Ελληνικά
Bahasa Indonesia
Español
Dansk
አማርኛ
ਪੰਜਾਬੀ
Shqip
Lietuvių
Italiano
Tiếng Việt
한국어
Malti
Suomi
Català
Hrvatski
Bosanski
Polski
Latviešu
Māori
Hello,欢迎来咨询~