Mobile:13331225020



|
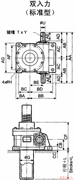
型号 |
WSH-2T |
WSH-3T |
WSH-5T |
WSH-10T |
WSH-15T |
WSH-20T |
WSH-30T |
WSH-40T |
WSH-50T |
WSH-100T |
|
梯形螺纹
直径
螺距 |
φ25
P=5 |
φ32
P=6 |
φ38
P=6 |
φ50
P=8 |
φ65
P=10 |
φ75
P=12 |
φ80
P=12 |
φ90
P=14 |
φ100
P=16 |
φ100
P=16 |
|
减速比 |
1/5
1/10
1/20 |
1/6
1/12
1/24 |
1/6
1/12
1/24 |
1/8
1/16
1/32 |
1/8
1/16
1/32 |
1/10
1/20
1/40 |
1/12
1/18
1/36 |
1/12
1/18
1/36 |
1/7
1/14
1/28 |
1/8
1/16
1/32 |
|
AA |
170 |
220 |
220 |
256 |
264 |
316 |
390 |
420 |
480 |
550 |
|
AB |
85 |
110 |
110 |
128 |
132 |
158 |
195 |
210 |
240 |
275 |
|
AC |
55 |
70 |
70 |
88 |
92 |
108 |
130 |
145 |
170 |
180 |
|
AD |
30 |
40 |
40 |
40 |
40 |
50 |
65 |
65 |
70 |
95 |
|
AE |
25 |
35 |
35 |
35 |
35 |
45 |
60 |
60 |
65 |
90 |
|
AF |
66 |
80 |
90 |
100 |
110 |
140 |
190 |
210 |
240 |
250 |
|
AG |
90 |
110 |
120 |
140 |
150 |
180 |
230 |
260 |
300 |
320 |
|
AH |
|
70 |
80 |
100 |
100 |
120 |
150 |
165 |
194 |
218 |
|
BA |
50 |
57 |
60 |
90 |
90 |
95 |
110 |
130 |
160 |
170 |
|
BB |
85 |
98 |
110 |
140 |
140 |
155 |
200 |
225 |
255 |
285 |
|
BC |
38 |
42 |
45 |
70 |
70 |
75 |
85 |
105 |
130 |
135 |
|
BD |
73 |
83 |
95 |
120 |
120 |
135 |
175 |
200 |
225 |
250 |
|
BE |
35 |
40 |
50 |
60 |
63 |
70 |
100 |
120 |
130 |
150 |
|
CB |
40 |
50 |
50 |
60 |
60 |
70 |
85 |
100 |
120 |
125 |
|
CC |
15 |
18 |
18 |
20 |
20 |
25 |
30 |
30 |
30 |
32 |
|
CF |
110 |
130 |
130 |
160 |
160 |
180 |
220 |
260 |
315 |
345 |
|
φG |
44.5 |
51 |
63.5 |
70 |
82.6 |
95.3 |
|
|
|
|
|
φU |
15 |
18 |
18 |
25 |
25 |
28 |
32 |
35 |
45 |
50 |
|
T×V |
5×3 |
6×3.5 |
6×3.6 |
8×4 |
8×4 |
8×4 |
10×5 |
10×5 |
14×5.5 |
14×5.5 |
|
L |
Stroke
+55 |
Stroke
+60 |
Stroke
+60 |
Stroke
+60 |
Stroke
+65 |
Stroke
+75 |
|
|
|
|
|
φLA |
|
130 |
130 |
165 |
165 |
165 |
215 |
215 |
265 |
265 |
|
φLB |
|
110 |
110 |
130 |
130 |
130 |
180 |
180 |
230 |
230 |
|
φLC |
|
160 |
160 |
200 |
200 |
200 |
250 |
250 |
300 |
300 |
|
LZ |
|
M8
P1.25 |
M8
P1.25 |
M10
P1.5 |
M10
P1.5 |
M10
1.5 |
M12
P1.75 |
M12
P1.75 |
M16
P2.0 |
M16
P2.0 |
|
φD
W×Y
直联功率 |
|
14
5×2.3
0.25/0.37 |
14
5×2.3
0.25/0.37 |
19
6×2.8
0.75 |
19
6×2.8
0.75 |
24
8×3.3
1.5 |
28
8×3.3
2.2 |
28
8×3.3
4 |
38
10×3.3
5.5 |
38
10×3.3
7.5 |
|
φD
W×Y
直联功率 |
|
|
|
24
8×3.3
0.75 |
24
8×3.3
0.75 |
|
|
|
|
|
|
φH |
12 |
12 |
12 |
18 |
18 |
18 |
22 |
22 |
22 |
27 |