Mobile:13331225020

|
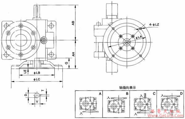
型号规格 |
法兰规格 |
AB |
AH |
LA |
LB |
LC |
LE |
LZ |
D |
Q |
T×V |
|
JRSSD40 |
71B5 |
110 |
72 |
130 |
110 |
160 |
4 |
M8 |
ф14 |
33 |
5×16.3 |
|
JRSSD50 |
71B5 |
110 |
80 |
130 |
110 |
160 |
4 |
M8 |
ф14 |
33 |
5×16.3 |
|
JRSSD60 |
80B5 |
128 |
100 |
165 |
130 |
200 |
4.5 |
M10 |
ф19 |
43 |
6×21.8 |
|
90B5 |
ф24 |
53 |
8×27.3 | ||||||||
|
JRSSD60B |
80B5 |
132 |
100 |
165 |
130 |
200 |
4.5 |
M10 |
ф19 |
43 |
6×21.8 |
|
90B5 |
ф24 |
53 |
8×27.3 | ||||||||
|
JRSSD70 |
90B5 |
158 |
120 |
165 |
130 |
200 |
4.5 |
M10 |
ф24 |
53 |
8×27.3 |
|
JRSSD100 |
100/112B5 |
195 |
150 |
215 |
180 |
250 |
5 |
M12 |
ф28 |
63 |
8×31.3 |
|
JRSSD120 |
100/112B5 |
210 |
165 |
215 |
180 |
250 |
5 |
M12 |
ф28 |
63 |
8×31.3 |
|
JRSSD130 |
132B5 |
240 |
194 |
265 |
230 |
300 |
5 |
M12 |
ф38 |
83 |
10×41.3 |
|
JRSSD150 |
132B5 |
275 |
218 |
265 |
230 |
300 |
5 |
M12 |
ф38 |
83 |
10×41.3 |