您好,欢迎进入格鲁夫机械设备制造有限公司官网!
减速机|丝杆升降机|减速电机|行业专用减速机|减速机配件|减速机厂|丝杆升降机厂|转向器厂

联系我们

邮箱:china@gelufu.com
电话:0312-6784766
在线咨询

丝杆升降机

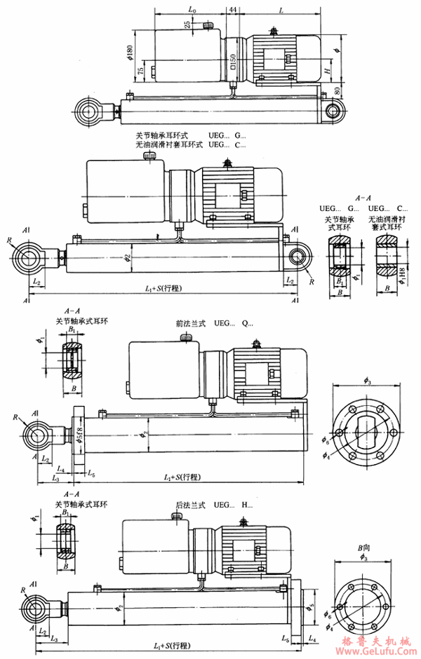
UEG系列并列式电动液压缸安装尺寸

发布日期:2023-12-28 20:43 浏览次数:

UEG系列并列式电动液压缸安装尺寸(图1) www.gelufu.com

UEG系列并列式电动液压缸安装尺寸

Tel:0312-6784766

UEG系列并列式电动液压缸安装尺寸(图2) Mobile:13331225020

UEG 系列并列式电动液压缸外形连接尺寸 /mm
G
C
缸径
40
50
63
80
90
100
杆径
20
22
28
25
28
36
32
36
45
40
45
56
45
50
63
50
56
70
L1
250
265
310
365
370
430
L2
30
40
40
55
55
70
φ1
20-0.01
30-0.01
30-0.01
40-0.012
40-0.012
50-0.012
φ2
58
70
83
108
114
127
R
25
35
35
45
45
60
B
B1
16
22
22
28
28
35
S≤
2000
3000
Q型
L1
162
165
195
212
212
247
L2
30
40
40
55
55
70
L3
71
83
90
130
135
155
L4
5
5
5
5
5
5
L5
20
20
25
25
25
30
φ1
20-0.01
30-0.01
30-0.01
40-0.012
40-0.012
50-0.012
φ2
58
70
83
108
114
127
φ3
104
120
140
175
190
210
φ4
84
98
115
145
160
180
φ5
64
76
90
115
130
145
φ6
6孔11
6孔11
6孔13
8孔135
8孔155
8孔18
R
25
35
35
45
45
60
B
B1
16
22
22
28
28
35
H型
L1
253
268
310
367
372
432
L2
30
40
40
55
55
70
L3
71
83
90
130
135
155
L4
5
5
5
5
5
5
L5
20
20
25
25
25
30
φ1
20-0.01
30-0.01
30-0.01
40-0.012
40-0.012
50-0.012
φ2
58
70
83
108
114
127
φ3
104
120
140
175
190
210
φ4
84
98
115
145
160
180
φ5
64
76
90
115
130
145
φ6
6孔11
6孔11
6孔13
8孔135
8孔155
8孔18
R
25
35
35
45
45
60
B
B1
16
22
22
28
28
35
J型
L1
80
95
102
147
152
177
L2
30
40
40
55
55
70
L3
70
80
100
125
140
155
L4
110
130
155
185
200
230
L5
28
34
34
44
44
54
L6
233
248
285
342
347
402
φ1
20-0.01
30-0.01
30-0.01
40-0.012
40-0.012
50-0.012
φ2
58
70
83
108
114
127
φ3
70
80
100
120
135
150
R
25
35
35
45
45
60
B
B1
16
22
22
28
28
35
Z型
L1
233
248
285
342
347
402
L2
30
40
40
55
55
70
L3
70
80
100
125
140
155
L4
110
130
155
185
200
230
L5
28
34
34
44
44
54
φ1
20-0.01
30-0.01
30-0.01
40-0.012
40-0.012
50-0.012
φ2
58
70
83
108
114
127
φ3
70
80
100
120
135
150
R
25
35
35
45
45
60
B
B1
16
22
22
28
28
35
D型
L1
142
145
170
177
177
207
L2
30
40
40
55
55
70
L3
78.5
90.5
100
145
150
172.5
L4
25
25
30
40
40
45
L5
105
120
140
160
185
205
L6
130
150
175
200
230
255
L7
25
30
35
40
45
50
L8
40
45
50
60
70
80
φ1
20-0.01
30-0.01
30-0.01
40-0.012
40-0.012
50-0.012
φ2
58
70
83
108
114
127
φ3
11
11
13
17
17
21
R
25
35
35
45
45
60
B
B1
16
22
22
28
28
35
140
G
C
缸径
110
<, DIV align=center onselect="null">125
150
160
180
200
220
250
杆径
56
63
80
63
70
90
70
80
100
75
85
105
80
90
110
90
100
125
100
110
140
110
125
160
125
140
180
L1
440
455
500
507
515
590
630
690
730
L2
70
70
80
80
80
90
100
100
120
φ1
50-0.012
50-0.012
60-0.015
60-0.015
60-0.015
70-0.015
80-0.015
90-0.02
100-0.02
φ2
140
152
168
180
194
219
245
272
299
R
60
60
70
70
70
80
90
100
110
B
B1
35
35
44
44
44
49
55
60
70
S≤
4000
5000
Q型
L1
252
262
287
292
292
333
343
383
393
L2
70
70
80
80
80
90
100
10
120
L3
160
165
180
182
190
215
235
260
280
L4
5
5
5
5
10
10
10
10
10
L5
30
40
40
40
50
50
60
70
70
φ1
50-0.012
50-0.012
60-0.015
60-0.015
60-0.015
70-0.015
80-0.015
90-0.02
100-0.02
φ2
140
152
168
180
194
219
245
272
299
φ3
225
240
260
285
300
325
365
405
450
φ4
195
210
225
245
260
285
320
355
390
φ5
160
175
190
205
220
245
275
305
330
φ6
8孔18
10孔18
10孔20
10孔22
10孔22
10孔24
10孔26
10孔29
12孔32
R
60
60
70
70
70
80
90
100
110
B
B1
35
35
44
44
44
49
55
60
70
H型
L1
442
467
507
514
532
598
638
713
743
L2
70
70
80
80
80
90
100
10
120
L3
160
165
180
182
190
215
235
260
280
L4
5
5
5
5
10
10
10
10
10
L5
30
40
40
40
50
50
60
70
70
φ1
50-0.012
50-0.012
60-0.015
60-0.015
60-0.015
70-0.015
80-0.015
90-0.02
100-0.02
φ2
140
152
168
180
194
219
245
272
299
φ3
225
240
260
285
300
325
365
405
450
φ4
195
210
225
245
260
285
320
355
390
φ5
160
175
190
205
220
245
275
305
330
φ6
8孔18
10孔18
10孔20
10孔22
10孔22
10孔24
10孔26
10孔29
12孔32
R
60
60
70
70
70
80
90
100
110
B
B1
35
35
44
44
44
49
55
60
70
J型
L1
182
187
207
209
212
242
267
297
321
L2
70
70
80
80
80
90
100
10
120
L3
170
185
200
215
230
255
285
320
350
L4
245
260
290
305
320
360
405
455
500
L5
54
54
64
64
64
74
84
94
102
L6
412
427
467
474
482
548
578
643
673
φ1
50-0.012
50-0.012
60-0.015
60-0.015
60-0.015
70-0.015
80-0.015
90-0.02
100-0.02
φ2
140
152
168
180
194
219
245
272
299
φ3
165
185
210
222
235
270
295
330
355
R
60
60
70
70
70
80
90
100
110
B
B1
35
35
44
44
44
49
55
60
70
Z型
L1
412
427
467
474
482
548
578
643
673
L2
70
70
80
80
80
90
100
10
120
L3
170
185
200
215
230
255
285
320
350
L4
245
260
290
305
320
360
405
455
500
L5
54
54
64
64
64
74
84
94
102
φ1
50-0.012
50-0.012
60-0.015
60-0.015
60-0.015
70-0.015
80-0.015
90-0.02
100-0.02
φ2
140
152
168
180
194
219
245
272
299
φ3
165
185
210
222
235
270
295
330
355
R
60
60
70
70
70
80
90
100
110
B
B1
35
35
44
44
44
49
55
60
70
D型
L1
212
212
237
237
237
273
283
306
311
L2
70
70
80
80
80
90
100
10
120
L3
177.5
187.5
202.5
207
212.5
240
260
293.5
316
L4
45
55
55
60
65
70
70
87
92
L5
230
255
280
295
310
345
385
435
495
L6
280
310
340
355
375
415
465
525
595
L7
55
60
65
67
70
75
80
90
100
L8
90
100
115
120
130
145
165
185
205
φ1
50-0.012
50-0.012
60-0.015
60-0.015
60-0.015
70-0.015
80-0.015
90-0.02
100-0.02
φ2
140
152
168
180
194
219
245
272
299
φ3
21
25
25
25
31
31
31
37
45
R
60
60
70
70
70
80
90
100
110
B
B1
35
35
44
44
44
49
55
60
70

Copyright © 2023-2025 格鲁夫 版权所有 备案号:冀ICP备19023093号-2

电子营业执照图标 电子营业执照
选择语言
Hello,欢迎来咨询~