QQ:47447450
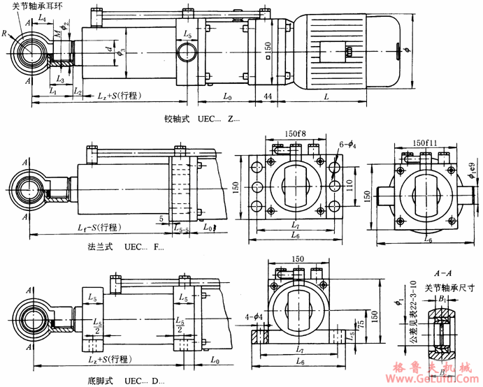
UEC系列直列式电动液压缸外形尺寸
mail:china@gelufu.com
fax:0312-6784733
|
缸径 |
杆径d |
M |
φ2 |
R |
B |
B1 |
φ1 |
φ3 |
φ4 |
L1 |
L2 |
L3 |
L4 |
L5 |
L6 |
L7 |
LZ |
Lf |
L0≥150 | |
|
尺寸 |
轴承公差 | |||||||||||||||||||
|
40 |
20 |
M14×1.5 |
25 |
25 |
16 |
20 |
0
-0.01 |
58 |
13 |
50 |
16 |
25 |
30 |
25 |
200 |
175 |
220 |
212 |
0.04S | |
|
22 |
M16×1.5 |
28 |
0.05S | |||||||||||||||||
|
28 |
M22×1.5 |
35 |
0.08S | |||||||||||||||||
|
50 |
25 |
M20×1.5 |
28 |
35 |
22 |
30 |
70 |
13 |
60 |
18 |
30 |
40 |
30 |
200 |
175 |
233 |
223 |
0.06S | ||
|
28 |
M22×1.5 |
35 |
0.08S | |||||||||||||||||
|
36 |
M27×2 |
42 |
0.12S | |||||||||||||||||
|
63 |
32 |
M24×1.5 |
35 |
83 |
17 |
65 |
20 |
35 |
40 |
30 |
200 |
175 |
270 |
260 |
0.10S | |||||
|
36 |
M27×2 |
42 |
0.12S | |||||||||||||||||
|
45 |
M33×2 |
45 |
0.20S | |||||||||||||||||
|
80 |
40 |
M30×2 |
42 |
45 |
28 |
40 |
0
-0.012 |
108 |
17 |
105 |
20 |
45 |
55 |
40 |
200 |
175 |
322 |
307 |
0.16S | |
|
45 |
M33×2 |
48 |
0.20S | |||||||||||||||||
|
56 |
M42×3 |
60 |
0.30S | |||||||||||||||||
|
90 |
45 |
M33×2 |
48 |
114 |
17 |
110 |
20 |
45 |
55 |
40 |
220 |
185 |
327 |
312 |
0.20S | |||||
|
50 |
M36×2 |
52 |
0.24S | |||||||||||||||||
|
63 |
M48×2 |
68 |
0.38S | |||||||||||||||||
|
100 |
50 |
M36×2 |
52 |
60 |
35 |
50 |
127 |
21 |
130 |
20 |
50 |
70 |
50 |
220 |
185 |
377 |
357 |
0.24S | ||
|
56 |
M42×2 |
60 |
0.30S | |||||||||||||||||
|
70 |
M52×2 |
72 |
0.50S | |||||||||||||||||
|
110 |
56 |
M42×2 |
60 |
140 |
21 |
135 |
20 |
55 |
70 |
50 |
220 |
185 |
387 |
367 |
0.30S | |||||
|
63 |
M48×2 |
68 |
0.38S | |||||||||||||||||
|
80 |
M60×2 |
80 |
0.60S | |||||||||||||||||