

LT型弹性套柱销联轴器详细介绍DETAILSLT型(原TL型)弹性套柱销联轴器(GB43232002代替GB43231984)
●弹性套柱销联轴器是利用一端套有弹性套(橡胶材料)的柱销,装在两半联轴器凸缘孔中,以实现两半联轴器的联接。弹性套柱销联轴器曾经是我国应用最广泛的联轴器,早在20 世纪50 年代末期即已制订为机械部标准, JB08 ― 60 弹性圈柱销联轴器是我国个部标准联轴器。
●弹性套柱销联轴器结构比较简单,制造容易,不用润滑,不需要与金属硫化粘结,更换弹性套方便,不用移动半联轴器,具有一定补偿两轴相对偏移和减振缓冲性能。弹性套工作是受压缩变形,由于弹性套的厚度较薄,体积小弹性变形有限所以弹性套柱销联轴器虽可补偿轴线位移和弹性但轴线位移许用补偿量较少弹性较弱。弹性套柱销联轴器是依靠柱销组的锁紧力而产生于接触面的摩擦力并压缩橡胶弹性套来传递转矩。适用于安装底座刚性好、对中精度较高、冲击载荷不大、对减振要求不高的中小功率轴系传动。
电话:0312-6784766
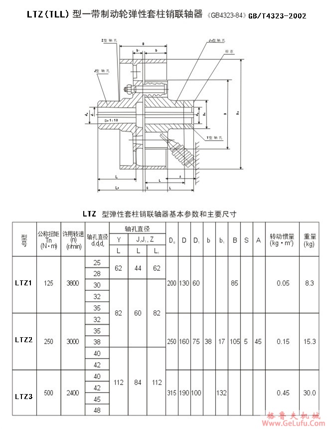
LTZ型带制动轮弹性套柱销联轴器结构比较简单,制造容易,不用润滑,不需要与金属硫化粘结,更换弹性套方便,不用移动半联轴器,具有一定补偿两轴相对偏移和减振缓冲性能。弹性套工作是受压缩变形,由于弹性套的厚度较薄,体积小,弹性变形有限,所以,弹性套柱销联轴器虽可补偿轴线位移和弹性,但轴线位移许用补偿量较少,弹性较弱。弹性套柱销联轴器是依靠柱销组的锁紧力而产生于接触面的摩擦力矩,并压缩橡胶弹性套来传递转矩。适用于安装底座刚性好、对中精度较高、冲击载荷不大、对减振要求不高的中小功率轴系传动。 fax:0312-6784733

gelufu.com.cn
Mobile:13331225020
LTZ型制动轮弹性套柱销联轴器(GB/T43232002)
gelufu.com
LTZ9
fax:0312-6784733
LTZ型制动轮弹性套柱销联轴器(GB/T43232002) WX:grove_company
微信:grove_company
LTZ型制动轮弹性套柱销联轴器(GB/T43232002)
LTZ型制动轮弹性套柱销联轴器(GB/T43232002)
LTZ型制动轮弹性套柱销联轴器(GB/T43232002)
LTZ型制动轮弹性套柱销联轴器(GB/T43232002)