手机:13331225020


|
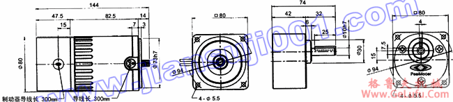
型式 |
A |
B |
C |
D |
|
M-4RK25A-□S |
32 |
Ø8h7 |
70-0.15 |
25 |
|
M-5RK40A-□S |
37 |
Ø10h7 |
90-0.15 |
30 |
|
型式 |
A |
B |
C |
D |
E |
|
G-4N□-KL |
25 |
40-0.03 |
40-0.03 |
4+0.06+0.01 |
7.50-0.15 |
|
G-5N□-KL |
25 |
40-0.03 |
40-0.03 |
4+0.06+0.01 |
9.50-0.15 |
|
型式 |
极数 |
出力
(W) |
电压
(V) |
频率
(Hz) |
额定
时间 |
额定输出 |
启动
电流
(A) |
启动
转矩
(kgfcm) |
刹车
输入
(W) |
刹车
电流
(A) |
刹车
转矩
(kgfcm) |
电容
uF(V) |
配合齿轮箱 | ||||
|
电流
(A) |
转速
(rpm) |
转矩
(kgfcm) |
含油转承 |
滚珠轴承 |
中间速比 | ||||||||||||
|
M-4RK25N-AS |
4 |
25 |
110 |
50 |
30min |
0.53 |
1325 |
1.8 |
1.0 |
1.7 |
6 |
0.12 |
1 |
7(250V) |
G-4N□-L |
G-4N□-K |
G-4N10X-K |
|
60 |
0.57 |
1625 |
1.5 |
1.0 |
1.7 | ||||||||||||
|
M-4RK25N-CS |
4 |
25 |
220 |
50 |
30min |
0.27 |
1325 |
1.8 |
0.5 |
1.7 |
6 |
0.06 |
1 |
2(450V) | |||
|
60 |
0.29 |
1625 |
1.5 |
0.5 |
1.7 | ||||||||||||
|
M-5RK40N-AS |
4 |
40 |
110 |
50 |
30min |
0.80 |
1300 |
3.0 |
1.6 |
3.5 |
7 |
0.14 |
4 |
10(250V) |
G-5N□-L |
G-5N□-K |
G-5N10X-K |
|
60 |
0.83 |
1600 |
2.4 |
1.6 |
3.5 | ||||||||||||
|
M-5RK40N-CS |
4 |
40 |
220 |
50 |
30min |
0.40 |
1300 |
3.0 |
0.8 |
3.5 |
7 |
0.07 |
4 |
2.5(450V) | |||
|
60 |
0.42 |
1600 |
2.4 |
0.8 |
3.5 | ||||||||||||


|
规格uF(V) |
A |
B |
C |
H |
G |
T |
最高温度 |
|
7(250V) |
38 |
20 |
30 |
29 |
5 |
22 |
60℃ |
|
2(450V) |
38 |
20 |
30 |
29 |
5 |
22 |
70℃ |
|
10(250V) |
38 |
20 |
30 |
29 |
5 |
22 |
60℃ |
|
2.5(450V) |
38 |
20 |
30 |
29 |
5 |
22 |
70℃ |
|
型式 |
转速(rpm) |
500 |
300 |
200 |
180 |
150 |
120 |
100 |
90 |
75 |
60 |
50 |
30 |
20 |
15 |
10 |
9 |
7.5 |
6 |
5 |
3 |
2 |
1.5 |
1 |
|
减速比50Hz60Hz |
3
3.6 |
5
6 |
7.5
9 |
-
10 |
10
- |
12.5
15 |
15
18 |
-
20 |
20
- |
25
30 |
30
36 |
50
60 |
75
90 |
100
120 |
150
180 |
-
200 |
200
- |
250
300 |
300
360 |
500
600 |
750
900 |
1000
1200 |
1500
1800 | |
|
G-4N□-KL |
最大容许转矩
(kgfcm) |
4.0 |
6.7 |
10 |
11 |
13 |
16 |
20 |
21 |
26 |
32 |
39 |
65 |
80 |
80 |
80 |
80 |
80 |
80 |
80 |
80 |
80 |
80 |
80 |
|
G-5N□-KL |
最大容许转矩
(kgfcm) |
6.7 |
11 |
16 |
18 |
23 |
28 |
33 |
36 |
45 |
54 |
65 |
100 |
100 |
100 |
100 |
100 |
100 |
100 |
100 |
100 |
100 |
100 |
100 |