您好,欢迎进入格鲁夫机械设备制造有限公司官网!
减速机|丝杆升降机|减速电机|行业专用减速机|减速机配件|减速机厂|丝杆升降机厂|转向器厂

联系我们

邮箱:china@gelufu.com
电话:0312-6784766
在线咨询

联轴器

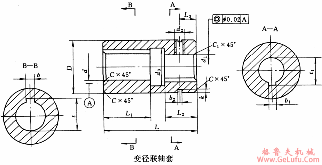
变径联轴套外形及安装尺寸

发布日期:2023-12-28 20:05 浏览次数:

变径联轴套外形及安装尺寸(图1) 电话:0312-6784766

变径联轴套外形及安装尺寸 QQ:20275456

变径联轴套外形及安装尺寸(图2)

邮箱:china@gelufu.com

变径联轴套尺寸/mm

型号
d
(H7)
b
(D10)
t
+0.1
d1
(H7)
b1
(D10)
t1
+0.1
D
L
L1
L2
L3
d2
k
b2
d3
C
C1
质量m/kg
螺钉
销圈
GTB1
10
3
11.4
6
2
7
22
25
10
8
5
M5
1.8
1
14
1
0.6
0.071
M5×10
17
GTB2
12
5
14.3
11
4
12.8
25
40
16
15
8
16
1
0.135
20
GTB3
14
16.3
15
5
17.3
32
33
22
20
10
M6
2
22
0.330
M6×10
27
GTB4
18
6
20.8
16
18.3
28
0.410
GTB5
22
24.8
20
6
33.8
36
60
23
M8
2.5
1.2
36
2
1.5
0.610
M8×12
32
邮箱:china@gelufu.com

Copyright © 2023-2025 格鲁夫 版权所有 备案号:冀ICP备19023093号-2

电子营业执照图标 电子营业执照
选择语言
Hello,欢迎来咨询~