WX:grove_company

|
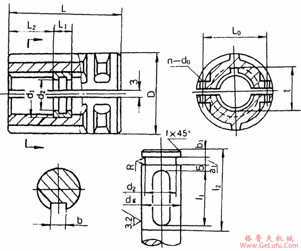
标定符号 |
孔径
dg(H7) |
Mmax
(Nm) |
D |
L |
L1
(H8 j7) |
L2 |
L0 |
n-d0 |
d1( ) |
d2
(H11) |
a1
(H11) |
b1 |
l1 |
l2 |
R |
f |
b |
t |
重量
(kg) |
|
JQ 25 |
25 |
90 |
102 |
130 |
20 |
55 |
64 |
4-14 |
33 |
20 |
5 |
4 |
45 |
70 |
0.2 |
0.4 |
8 |
28.3 |
4.47 |
|
JQ 30 |
30 |
90 |
102 |
130 |
20 |
55 |
64 |
4-14 |
33 |
25 |
5 |
4 |
45 |
70 |
0.2 |
0.4 |
8 |
33.3 |
4.47 |
|
JQ 35 |
35 |
236 |
118 |
162 |
20 |
71 |
80 |
6-14 |
43 |
30 |
5 |
4 |
55 |
85 |
0.4 |
0.6 |
10 |
38.3 |
7.60 |
|
JQ 40 |
40 |
236 |
118 |
162 |
20 |
71 |
80 |
6-14 |
48 |
35 |
5 |
4 |
55 |
85 |
0.4 |
0.6 |
12 |
43.3 |
7.60 |
|
JQ 45 |
45 |
530 |
135 |
190 |
24 |
83 |
94 |
6-14 |
57 |
37 |
6 |
5 |
70 |
100 |
0.4 |
0.6 |
14 |
48.8 |
10.85 |
|
JQ 50 |
50 |
530 |
135 |
190 |
24 |
83 |
94 |
6-14 |
62 |
42 |
6 |
5 |
70 |
100 |
0.4 |
0.6 |
14 |
53.8 |
10.85 |
|
JQ 55 |
55 |
530 |
135 |
190 |
24 |
83 |
94 |
6-14 |
67 |
47 |
6 |
5 |
70 |
100 |
0.6 |
1 |
16 |
59.3 |
10.85 |
|
JQ 65 |
65 |
1400 |
172 |
250 |
30 |
110 |
124 |
8-18 |
78 |
55 |
8 |
6 |
100 |
130 |
0.6 |
1 |
18 |
69.4 |
25.06 |
|
JQ 70 |
70 |
1400 |
172 |
250 |
30 |
110 |
124 |
8-18 |
83 |
60 |
8 |
6 |
100 |
130 |
0.6 |
1 |
20 |
74.9 |
25.06 |
|
JQ 80 |
80 |
2650 |
185 |
280 |
38 |
121 |
138 |
8-18 |
94 |
70 |
10 |
8 |
110 |
145 |
0.6 |
1 |
22 |
85.4 |
30.16 |
|
JQ 90 |
90 |
5200 |
230 |
330 |
38 |
146 |
164 |
8-26 |
105 |
80 |
10 |
8 |
140 |
170 |
0.6 |
1 |
25 |
95.4 |
56.38 |
|
JQ 95 |
95 |
5200 |
230 |
330 |
38 |
146 |
164 |
8-26 |
110 |
85 |
10 |
8 |
140 |
170 |
0.6 |
1 |
25 |
100.4 |
56.38 |
|
JQ 100 |
100 |
5200 |
230 |
330 |
38 |
146 |
164 |
8-26 |
115 |
90 |
10 |
8 |
140 |
170 |
0.6 |
1 |
28 |
106.4 |
56.38 |
|
JQ 110 |
110 |
9000 |
260 |
390 |
46 |
172 |
190 |
8-26 |
125 |
100 |
12 |
10 |
160 |
200 |
0.6 |
1 |
28 |
116.4 |
90 |
|
JQ 130 |
130 |
15000 |
280 |
440 |
54 |
193 |
210 |
10-26 |
146 |
118 |
14 |
12 |
180 |
225 |
0.6 |
1 |
32 |
137.4 |
125 |
|
JQ 160 |
160 |
28000 |
340 |
500 |
64 |
218 |
260 |
10-33 |
180 |
144 |
16 |
14 |
200 |
255 |
0.6 |
1 |
40 |
169.4 |
215 |