您好,欢迎进入格鲁夫机械设备制造有限公司官网!
|
网站地图
|
Tag标签
|
在线留言
|
联系我们
网站首页
Home
关于我们
ABOUT US
关于我们
售后保障
产品中心
PRODUCT
蜗轮减速机
齿轮减速机
丝杆升降机
减速电机
精密减速机
行业专用减速机
联轴器
摆线针轮减速机
技术文章
NEWS
蜗轮减速机
齿轮减速机
摆线针轮减速机
精密减速机
丝杆升降机
行星齿轮减速机
行业专用减速机
联轴器
减速机相关
问题解疑
减速电机
无极变速器
国外及港台减速机
电机
合作案例
CASE
售后服务
service
在线留言
MESSAGE
联系我们
CONTACT US
技术文章
蜗轮减速机
齿轮减速机
摆线针轮减速机
精密减速机
丝杆升降机
行星齿轮减速机
行业专用减速机
联轴器
减速机相关
问题解疑
减速电机
无极变速器
国外及港台减速机
电机
推荐产品
LF16弹性活销
GⅡCLZ7型鼓
WH1型滑块联轴
LLA10型轮胎
联系我们
邮箱:
china@gelufu.com
电话:
0312-6784766
在线咨询
主页
>
技术文章
>
减速机相关
减速机相关
CGZS型带超越离合机的自锁装置(自锁机)
发布日期:2023-12-28 20:40
浏览次数:
传真:0312-6784733
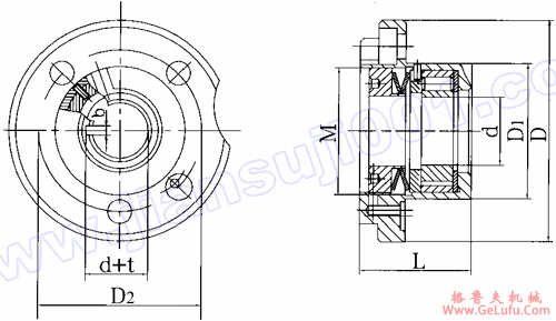
特性及应用:
CGZS型带超越离合器的自锁装置(又称自锁器)主要与滚珠丝杠副配套。滚珠丝杠副由于传动效率高,不能自锁,在用于垂直方位传动时,如果部件重量没有平衡,必须防止当传动停止或电动机断电后,因部件自重而产生的逆转动。CGZS型是适合防止滚珠丝杠副逆转的自锁装置。
结构型式:
CGZS型超越离合器基本参数和主要尺寸 单位:mm
型号
d
D
D
1
D
2
L
b×t
M
CGZS
30
98
60
75
49
4×2
56×1.5
上一篇:CGK型可控滚柱式超越离合机
下一篇:CGA型滚柱式单向超越离合机
查看更多 >>
推荐资讯
QW轻型行星摆线减速机低速轴许用转矩极限
QW系列轻型摆线针轮减速机简介,QW系列轻型摆线针轮减速机特点,QW系列轻型摆线针轮减速机参数,QW系列轻型摆线针轮减速...
FDBY型圆锥圆柱齿轮减速机的型号及标记
FDBY型圆锥圆柱齿轮减速机ZBJ19026-90简介,FDBY型圆锥圆柱齿轮减速机ZBJ19026-90特点,FDBY...
WQ型圆柱蜗杆减速机(WQC50-250
WQ型圆柱蜗杆减速机简介,WQ型圆柱蜗杆减速机特点,WQ型圆柱蜗杆减速机参数,WQ型圆柱蜗杆减速机具体型号,WQ型圆柱蜗...
CW型二级齿轮、圆弧圆柱蜗杆减速机简介
CW型两级齿轮、圆弧齿圆柱蜗杆减速机简介,CW型两级齿轮、圆弧齿圆柱蜗杆减速机特点,CW型两级齿轮、圆弧齿圆柱蜗杆减速机...
选择语言
×
Українська
Norsk
Cymraeg
Nederlands
日本語
Filipino
English
ລາວ
తెలుగు
Română
नेपाली
Français
Kreyòl Ayisyen
Čeština
Svenska
Русский
Malagasy
မြန်မာစာ
پښتو
ไทย
Հայերեն
简体中文
فارسی
繁體中文
Kurdî
Türkçe
हिन्दी
Български
Bahasa Melayu
Kiswahili
ଓଡ଼ିଆ
Íslenska
Gaeilge
ភាសាខ្មែរ
ગુજરાતી
Slovenčina
ಕನ್ನಡ
עברית
Magyar
मराठी
தமிழ்
Eesti
മലയാളം
Inuktitut
العربية
Deutsch
Slovenščina
বাংলা
اردو
Azərbaycan
Português
Samoan
Afrikaans
Tongan
Ελληνικά
Bahasa Indonesia
Español
Dansk
አማርኛ
ਪੰਜਾਬੀ
Shqip
Lietuvių
Italiano
Tiếng Việt
한국어
Malti
Suomi
Català
Hrvatski
Bosanski
Polski
Latviešu
Māori
Hello,欢迎来咨询~