您好,欢迎进入格鲁夫机械设备制造有限公司官网!
繁體
|
网站地图
|
Tag标签
|
在线留言
|
联系我们
网站首页
Home
关于我们
ABOUT US
关于我们
售后保障
产品中心
PRODUCT
蜗轮减速机
齿轮减速机
丝杆升降机
减速电机
精密减速机
行业专用减速机
联轴器
摆线针轮减速机
技术文章
NEWS
蜗轮减速机
齿轮减速机
摆线针轮减速机
精密减速机
丝杆升降机
行星齿轮减速机
行业专用减速机
联轴器
减速机相关
问题解疑
减速电机
无极变速器
国外及港台减速机
电机
合作案例
CASE
售后服务
service
在线留言
MESSAGE
联系我们
CONTACT US
技术文章
蜗轮减速机
齿轮减速机
摆线针轮减速机
精密减速机
丝杆升降机
行星齿轮减速机
行业专用减速机
联轴器
减速机相关
问题解疑
减速电机
无极变速器
国外及港台减速机
电机
推荐产品
WPDO系列蜗轮
WGP9带制动盘
WPWDV系列蜗
YBT(筒径80
联系我们
邮箱:
china@gelufu.com
电话:
0312-6784766
地址:
莲池区焦庄乡
在线咨询
主页
>
技术文章
>
减速电机
减速电机
12-28
2023
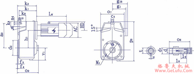
QSP系列齿轮减速三相异步电动机尺寸表
QSP系列齿轮减速三相异步电动机简介,QSP系列齿轮减速三相异步电动机特点,QSP系列齿轮减速三相异步电动机参数,QSP系列齿轮减速三相异步电动机具体型号,QSP系列齿轮减速三相异步电动机3D实体模型,QSP系列齿轮减速三相异步电动机电子样本,QSP系列齿轮减速三相异步电动机供应商,QSP系列齿轮减...
12-28
2023
QSP系列齿轮减速三相异步电动机安装及外形尺寸
QSP系列齿轮减速三相异步电动机简介,QSP系列齿轮减速三相异步电动机特点,QSP系列齿轮减速三相异步电动机参数,QSP系列齿轮减速三相异步电动机具体型号,QSP系列齿轮减速三相异步电动机3D实体模型,QSP系列齿轮减速三相异步电动机电子样本,QSP系列齿轮减速三相异步电动机供应商,QSP系列齿轮减...
12-28
2023
QSP系列齿轮减速三相异步电动机型号说明
QSP系列齿轮减速三相异步电动机简介,QSP系列齿轮减速三相异步电动机特点,QSP系列齿轮减速三相异步电动机参数,QSP系列齿轮减速三相异步电动机具体型号,QSP系列齿轮减速三相异步电动机3D实体模型,QSP系列齿轮减速三相异步电动机电子样本,QSP系列齿轮减速三相异步电动机供应商,QSP系列齿轮减...
12-28
2023
QSP系列齿轮减速三相异步电动机安装型式
QSP系列齿轮减速三相异步电动机简介,QSP系列齿轮减速三相异步电动机特点,QSP系列齿轮减速三相异步电动机参数,QSP系列齿轮减速三相异步电动机具体型号,QSP系列齿轮减速三相异步电动机3D实体模型,QSP系列齿轮减速三相异步电动机电子样本,QSP系列齿轮减速三相异步电动机供应商,QSP系列齿轮减...
12-28
2023
QSP系列齿轮减速三相异步电动机技术数据(功率0.12-0.25kW)
QSP系列齿轮减速三相异步电动机简介,QSP系列齿轮减速三相异步电动机特点,QSP系列齿轮减速三相异步电动机参数,QSP系列齿轮减速三相异步电动机具体型号,QSP系列齿轮减速三相异步电动机3D实体模型,QSP系列齿轮减速三相异步电动机电子样本,QSP系列齿轮减速三相异步电动机供应商,QSP系列齿轮减...
首页
上一页
1
2
3
4
5
6
7
8
9
10
11
下一页
末页