格鲁夫丝杆升降机
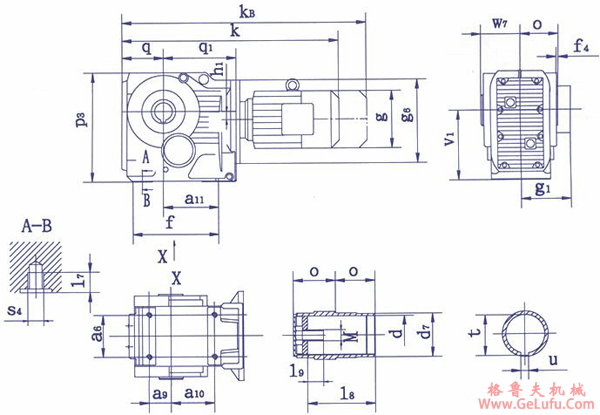
QSH系列斜齿-圆锥齿轮减速电机外形及安装尺寸
微信:grove_company
底脚安装系列
gelufu
www.gelufu.com
| 型号 | a s a2 |
a3 b b0 |
c e |
g | g1 | g6 h |
h1 i |
k | kB | O p3 |
q q1 |
d L |
u t | |
| QSH70 | Y63.. | 100 9 28 |
32 110 115 |
16 120 |
130 | 117 | 120 100 |
8.5 60 |
424 | 504 | 110 格鲁夫机械 164 |
63 139 |
25 50 |
8 28 |
| Y71.. | 145 | 124 | 442 | 522 | ||||||||||
| Y80.. | 156 | 150 | 467 | 557 | ||||||||||
| Y90S.. | 176 | 155 | 482 | 572 | ||||||||||
| Y90L.. | 176 | 155 | 507 | 597 | ||||||||||
| QSH80 | Y71.. | 120 11 35 |
37 130 130 |
18 145 |
145 | 124 | 160 手机:13331225020 112 |
7.2 75 |
487 | 567 | 135 186 |
71 166 |
30 60 |
8 33 |
| Y80.. | 156 | 150 | 512 | 602 | ||||||||||
| Y90S.. | 176 | 155 | 527 | 617 | ||||||||||
| Y90L.. | 176 | 155 | 552 | 642 | ||||||||||
| Y100L.. | 196 | 180 | 587 | 682 | ||||||||||
| QSH90 | Y80.. | 140 14 30 |
45 mail:china@gelufu.com 120 160 |
24 170 |
156 | 150 | 160 140 |
20 101 |
544 | 634 | 171 228 |
90 179 |
40 80 |
12 43 |
| Y90S.. | 176 | 155 | 559 | 649 | ||||||||||
| Y90L.. | 176 | 155 | 584 | 674 | ||||||||||
| Y100L.. | 196 | 180 | 619 | 714 | ||||||||||
| Y112M.. | 220 | 190 | 639 | 734 | ||||||||||
| QSH100 | Y90S.. | 165 电话:0312-6784766 18 40 |
55 150 200 |
27 200 |
176 | 155 | 200 180 |
31.3 123.5 |
604 | 694 | 206 288 |
112 202 |
50 100 |
14 53.5 |
| Y90L.. | 176 | 155 | 629 | 719 | ||||||||||
| Y100L.. | 196 | 180 | 664 | 759 | ||||||||||
| Y112M.. | 220 | 190 | 684 | 779 | ||||||||||
| Y132S.. | 259 | 210 | 739 | 834 | ||||||||||
| Y132M.. | 259 | 210 | 779 | 874 | ||||||||||
| QSH110 | Y100L.. | 180 22 55 |
70 180 233 |
32 230 |
196 | 180 | 250 212 |
25.9 150 |
739 | 834 | 240 340 |
132 257 |
60 120 |
18 64 |
| Y112M.. | 220 | 190 | 759 | 854 | ||||||||||
| Y132S.. | 259 | 210 | 814 | 909 | ||||||||||
| Y132M.. | 259 | 210 | 854 | 949 | ||||||||||
| Y160M.. | 314 | 255 | 909 | 1024 |

| 型号 | a s a2 |
a3 b b0 |
c e |
g | g1 | g6 h |
h1 i |
k | kB | O p3 |
q q1 |
d L |
u t | |
| QSH120 | Y112M | 240 26 75 |
75 240 295 |
36 290 |
220 | 190 | 300 265 |
23.3 171 |
807 | 902 | 291 417 |
160 277 |
70 140 |
20 74.5 |
| Y132S | 259 | 210 | 862 | 957 | ||||||||||
| Y132M | 259 | 210 | 902 | 997 | ||||||||||
| Y160M | 314 | 255 | 957 | 1072 | ||||||||||
| Y160L | 314 | 255 | 1002 | 1117 | ||||||||||
| QSH130 | Y132M | 270 33 95 |
95 280 360 |
40 340 |
259 | 210 | 350 315 |
52 212 |
1006 | 1101 | 347 503 |
200 341 |
90 170 |
25 95 |
| Y160M | 314 | 255 | 1061 | 1176 | ||||||||||
| Y160L | 314 | 255 | 1106 | 1221 | ||||||||||
| Y180M | 355 | 285 | 1131 | 1256 | ||||||||||
| Y180L | 355 | 285 | 1171 | 1296 | ||||||||||
| QSH140 | Y160M | 330 39 115 |
110 350 420 |
45 400 |
314 | 255 | 450 375 |
53 253 |
1145 | 1260 | 418 592 |
225 390 |
110 210 |
28 116 |
| Y160L | 314 | 255 | 1190 | 1305 | ||||||||||
| Y180M | 355 | 285 | 1215 | 1340 | ||||||||||
| Y180L | 355 | 285 | 1255 | 1380 | ||||||||||
| Y200L | 397 | 310 | 1320 | 1445 | ||||||||||
| Y225S | 446 | 345 | 1335 | 1465 | ||||||||||
| QSH150 | Y160L | 420 39 140 |
130 380 500 |
50 500 |
314 | 255 | 550 450 |
71.7 247 |
1281 | 1396 | 457 705 |
280 280 |
120 210 |
32 127 |
| Y180M | 355 | 285 | 1306 | 1431 | ||||||||||
| Y180L | 355 | 285 | 1346 | 1471 | ||||||||||
| Y200L | 397 | 310 | 1411 | 1536 | ||||||||||
| Y225S | 446 | 345 | 1426 | 1556 | ||||||||||
| Y250M | 485 | 385 | 1536 |
注:KB为带制动器尺寸
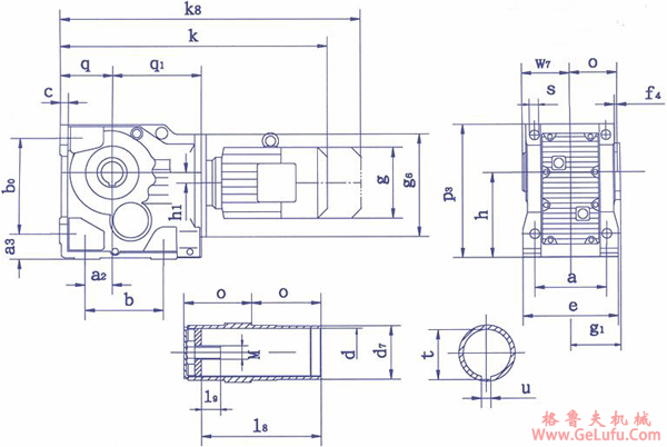
B5法兰安装系列

| 型号 | a1 c1 |
b1 f1 |
e1 v1 |
g | g1 | w7 | h1 i2 |
k | kB | O p3 |
q1 s1 |
q g6 |
d l |
u t | |
| QSH70 | Y63 | 160 12 |
110 3.5 |
130 100 |
130 | 117 | 55 | 8.5 50 |
424 | 504 | 134 164 |
139 9 |
63 120 |
25 50 |
8 28 |
| Y71 | 145 | 124 | 442 | 522 | |||||||||||
| Y80 | 156 | 150 | 467 | 557 | |||||||||||
| Y90S | 176 | 155 | 482 | 572 | |||||||||||
| Y90L | 176 | 155 | 507 | 597 | |||||||||||
| QSH80 | Y71 | 200 15 |
130 4 |
165 112 |
145 | 124 | 71 | 7.2 60 |
487 | 567 | 160 185 |
166 11 |
71 160 |
30 60 |
8 33 |
| Y80 | 156 | 150 | 512 | 602 | |||||||||||
| Y90S | 176 | 155 | 527 | 617 | |||||||||||
| Y90L | 176 | 155 | 552 | 642 | |||||||||||
| Y100L | 196 | 180 | 587 | 682 | |||||||||||
| QSH90 | Y80 | 250 15 |
180 4 |
215 140 |
156 | 150 | 89 | 20 80 |
544 | 634 | 193 226 |
179 13.5 |
90 160 |
40 80 |
12 43 |
| Y90S | 176 | 155 | 559 | 649 | |||||||||||
| Y90L | 176 | 155 | 584 | 674 | |||||||||||
| Y100L | 196 | 180 | 619 | 714 | |||||||||||
| Y112M | 220 | 190 | 639 | 734 | |||||||||||
| QSH100 | Y90S | 300 20 |
230 5 |
265 180 |
176 | 155 | 104 | 31.3 100 |
604 | 694 | 242 286 |
202 13.5 |
112 200 |
50 100 |
14 53.5 |
| Y90L | 176 | 155 | 629 | 719 | |||||||||||
| Y100L | 196 | 180 | 664 | 759 | |||||||||||
| Y112M | 220 | 190 | 684 | 779 | |||||||||||
| Y132S | 259 | 210 | 739 | 834 | |||||||||||
| Y132M | 259 | 210 | 779 | 874 | |||||||||||
| QSH110 | Y100L | 350 22 |
250 5 |
300 212 |
196 | 180 | 113 | 25.9 120 |
739 | 834 | 270 338 |
257 17.5 |
132 250 |
60 120 |
18 64 |
| Y112M | 220 | 190 | 759 | 854 | |||||||||||
| Y132S | 259 | 210 | 814 | 909 | |||||||||||
| Y132M | 259 | 210 | 854 | 949 | |||||||||||
| Y160M | 314 | 255 | 909 | 1024 |

| 型号 | a1 c1 |
b1 f1 |
e1 v1 |
g | g1 | w7 | h1 i2 |
k | kB | O p3 |
q1 s1 |
q g6 |
d l |
u t | |
| QSH120 | Y112M | 450 22 |
350 5 |
400 265 |
220 | 190 | 142 | 32.3 140 |
807 | 902 | 332 414 |
277 17.5 |
160 300 |
70 140 |
20 74.5 |
| Y132S | 259 | 210 | 862 | 957 | |||||||||||
| Y132M | 259 | 210 | 902 | 997 | |||||||||||
| Y160M | 314 | 255 | 957 | 1072 | |||||||||||
| Y160L | 314 | 255 | 1002 | 1117 | |||||||||||
| QSH130 | Y132M | 450 22 |
350 5 |
400 315 |
259 | 210 | 168 | 52 170 |
1006 | 1101 | 386 500 |
341 17.5 |
200 350 |
90 170 |
25 95 |
| Y160M | 314 | 255 | 1061 | 1176 | |||||||||||
| Y160L | 314 | 255 | 1106 | 1221 | |||||||||||
| Y180M | 355 | 285 | 1131 | 1256 | |||||||||||
| Y180L | 355 | 285 | 1171 | 1296 | |||||||||||
| QSH140 | Y160M | 550 25 |
450 5 |
500 375 |
314 | 255 | 224 | 53 210 |
1145 | 1260 | 466 592 |
390 17.5 |
225 450 |
110 210 |
28 116 |
| Y160L | 314 | 255 | 1190 | 1305 | |||||||||||
| Y180M | 355 | 285 | 1215 | 1340 | |||||||||||
| Y180L | 355 | 285 | 1255 | 1380 | |||||||||||
| Y200L | 397 | 310 | 1320 | 1445 | |||||||||||
| Y225S | 446 | 345 | 1335 | 1465 | |||||||||||
| QSH150 | Y160L | 660 28 |
550 6 |
600 450 |
314 | 255 | 264 | 71.7 210 |
1281 | 1396 | 520 705 |
426 22 |
280 550 |
120 210 |
32 127 |
| Y180M | 355 | 285 | 1306 | 1431 | |||||||||||
| Y180L | 355 | 285 | 1346 | 1471 | |||||||||||
| Y200L | 397 | 310 | 1411 | 1536 | |||||||||||
| Y225S | 446 | 345 | 1426 | 1556 | |||||||||||
| Y250M | 485 | 385 | 1536 | ||||||||||||
注:KB为带制动器尺寸
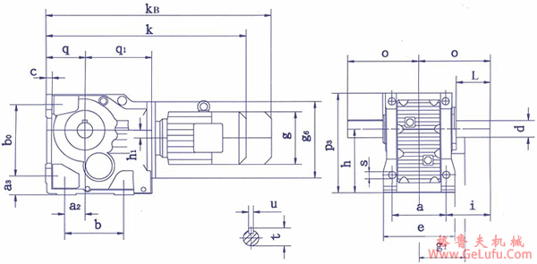
轴装系列

| 型号 | a6 a9 |
a10 a11 |
g | g1 | g6 h1 |
k | kB | M | p3 q |
l8 l9 |
q1 s4 |
l7 | v1 w7 |
o f4 |
d d7 |
u t | |
| QSH70 | Y63 | 60 35 |
82 97 |
130 | 117 | 120 8.5 |
424 | 504 | M12 | 164 71 |
100 22 |
139 M10 |
16 | 100 63 |
60 3 |
30 45 |
8 33 |
| Y71 | 145 | 124 | 442 | 522 | |||||||||||||
| Y80 | 156 | 150 | 467 | 557 | |||||||||||||
| Y90S | 176 | 155 | 482 | 572 | |||||||||||||
| Y90L | 176 | 155 | 507 | 597 | |||||||||||||
| QSH80 | Y71 | 70 40 |
100 120 |
145 | 124 | 160 7.2 |
487 | 567 | M12 | 185 77 |
130 22 |
166 M10 |
16 | 112 78 |
74 3 |
35 50 |
8 38 |
| Y80 | 156 | 150 | 512 | 602 | |||||||||||||
| Y90S | 176 | 155 | 527 | 617 | |||||||||||||
| Y90L | 176 | 155 | 552 | 642 | |||||||||||||
| Y100L | 196 | 180 | 587 | 682 | |||||||||||||
| QSH90 | Y80 | 88 42 |
110 125 |
156 | 150 | 160 20 |
544 | 634 | M16 | 226 94 |
156 30 |
179 M12 |
20 | 140 94 |
90 4 |
40 55 |
12 43 |
| Y90S | 176 | 155 | 559 | 649 | |||||||||||||
| Y90L | 176 | 155 | 584 | 674 | |||||||||||||
| Y100L | 196 | 180 | 619 | 714 | |||||||||||||
| Y112M | 220 | 190 | 639 | 734 | |||||||||||||
| QSH100 | Y90S | 102 48 |
122 139 |
176 | 155 | 200 31.3 |
604 | 694 | M16 | 286 109 |
183 31 |
202 M16 |
20 | 180 108 |
105 4.5 |
50 70 |
14 53.5 |
| Y90L | 176 | 155 | 629 | 719 | |||||||||||||
| Y100L | 196 | 180 | 664 | 759 | |||||||||||||
| Y112M | 220 | 190 | 684 | 779 | |||||||||||||
| Y132S | 259 | 210 | 739 | 834 | |||||||||||||
| Y132M | 259 | 210 | 779 | 874 | |||||||||||||
| QSH110 | Y100L | 118 65 |
160 190 |
196 | 180 | 250 25.9 |
739 | 834 | M20 | 338 132 |
210 36 |
257 M16 |
26 | 212 123 |
120 5.5 |
60 85 |
18 64 |
| Y112M | 220 | 190 | 759 | 854 | |||||||||||||
| Y132S | 259 | 210 | 814 | 909 | |||||||||||||
| Y132M | 259 | 210 | 854 | 949 | |||||||||||||
| Y160M | 314 | 255 | 909 | 1024 |

| 型号 | a6 a9 |
a10 a11 |
g | g1 | g6 h1 |
k | kB | M | p3 q |
l8 l9 |
q1 s4 |
l7 | v1 w7 |
o f4 |
d d7 |
u t | |
| QSH120 | Y112M | 160 83 |
165 190 |
220 | 190 | 300 32.3 |
807 | 902 | M20 | 414 158 |
270 34 |
277 M20 |
26 | 265 153 |
150 5.5 |
70 95 |
20 74.5 |
| Y132S | 259 | 210 | 862 | 957 | |||||||||||||
| Y132M | 259 | 210 | 902 | 997 | |||||||||||||
| Y160M | 314 | 255 | 957 | 1072 | |||||||||||||
| Y160L | 314 | 255 | 1002 | 1117 | |||||||||||||
| QSH130 | Y132M | 190 100 |
190 230 |
259 | 210 | 350 52 |
1006 | 1101 | M20 | 500 196 |
313 30 |
341 M24 |
30 | 315 178 |
175 6 |
90 118 |
25 95 |
| Y160M | 314 | 255 | 1061 | 1176 | |||||||||||||
| Y160L | 314 | 255 | 1106 | 1221 | |||||||||||||
| Y180M | 355 | 285 | 1131 | 1256 | |||||||||||||
| Y180L | 355 | 285 | 1171 | 1296 |

| 型号 | a a2 a3 |
b b0 |
c e |
g | g1 | g6 | h h1 |
S | k | kB | M | O p3 |
l8 l9 |
q q1 |
f4 w7 |
d d7 |
u t | |
| QSH140 | Y160M | 330 115 110 |
350 420 |
45 400 |
314 | 255 | 450 | 375 53 |
39 | 1145 | 1260 | M24 | 205 592 |
373 38 |
225 390 |
8 209 |
100 135 |
28 106 |
| Y160L | 314 | 255 | 1190 | 1305 | ||||||||||||||
| Y180M | 355 | 285 | 1215 | 1340 | ||||||||||||||
| Y180L | 355 | 285 | 1255 | 1380 | ||||||||||||||
| Y200L | 397 | 310 | 1320 | 1445 | ||||||||||||||
| Y225S | 446 | 345 | 1335 | 1456 | ||||||||||||||
| QSH150 | Y160L | 420 140 130 |
380 500 |
50 500 |
314 | 255 | 550 | 450 71.7 |
39 | 1281 | 1396 | M24 | 250 705 |
254 42 |
280 426 |
8 254 |
120 155 |
32 127 |
| Y180M | 355 | 285 | 1306 | 1431 | ||||||||||||||
| Y180L | 355 | 285 | 1346 | 1471 | ||||||||||||||
| Y200L | 397 | 310 | 1411 | 1536 | ||||||||||||||
| Y225S | 446 | 345 | 1426 | 1556 | ||||||||||||||
| Y250M | 485 | 385 | 1536 |
注:KB为带制动器尺寸