mail:china@gelufu.com
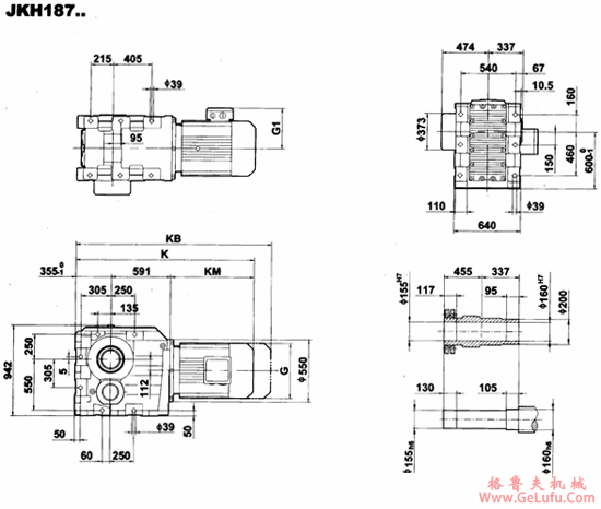
JK187..-JKH187..型减速电机外形安装尺寸
格鲁夫齿轮箱
微信:grove_company
|
|
Y2132L |
Y2160M |
Y2160L |
Y2180M |
Y2180L |
Y2200L |
Y2225S |
Y2225M |
Y2250M |
Y2280S |
Y2280M |
Y2315S |
Y2315M(L) |
|
G(AC) |
275 |
330 |
330 |
380 |
380 |
420 |
470 |
470 |
510 |
580 |
580 |
645 |
645 |
|
G1(AD) |
210 |
255 |
255 |
280 |
280 |
305 |
335 |
335 |
370 |
410 |
410 |
530 |
530 |
|
K |
1407 |
1442 |
1497 |
1527 |
1567 |
1597 |
1612 |
1642 |
1707 |
1782 |
1832 |
2067 |
2097 |
|
KB |
1502 |
1557 |
1612 |
1652 |
1692 |
1722 |
1742 |
1772 |
1857 |
1932 |
1982 |
2247 |
2277 |
|
KM(LB) |
470 |
505 |
560 |
590 |
630 |
660 |
675 |
705 |
770 |
845 |
895 |
1130 |
1160 |

|
|
Y2132L |
Y2160M |
Y2160L |
Y2180M |
Y2180L |
Y2200L |
Y2225S |
Y2225M |
Y2250M |
Y2280S |
Y2280M |
Y2315S |
Y2315(L) |
|
G(AC) |
275 |
330 |
330 |
380 |
380 |
420 |
470 |
470 |
510 |
580 |
580 |
645 |
645 |
|
G1(AD) |
210 |
255 |
255 |
280 |
280 |
305 |
335 |
335 |
370 |
410 |
410 |
530 |
530 |
|
K |
1407 |
1442 |
1497 |
1527 |
1567 |
1597 |
1612 |
1642 |
1707 |
1782 |
1832 |
2067 |
2097 |
|
KB |
1502 |
1557 |
1612 |
1652 |
1692 |
1722 |
1742 |
1772 |
1857 |
1932 |
1982 |
2247 |
2277 |
|
KM(LB) |
470 |
505 |
560 |
590 |
630 |
660 |
675 |
705 |
770 |
845 |
895 |
1130 |
1160 |