传真:0312-6784733
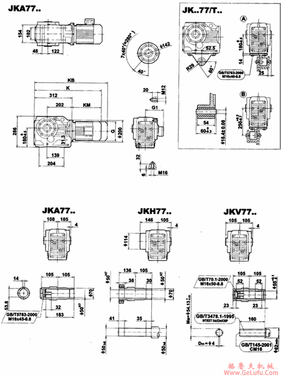
JK77..-JKVZ77..型减速电机外形安装尺寸
gelufu.com.cn
电话:0312-6784766
|
|
Y263 |
Y271 |
Y280 |
Y290S |
Y290L |
Y2100L |
Y2112M |
Y2132S |
Y2132M |
Y2132L |
Y2160M |
|
|
G(AC) |
130 |
145 |
175 |
195 |
195 |
215 |
240 |
275 |
275 |
275 |
330 |
|
|
G1(AD) |
70 |
80 |
145 |
155 |
155 |
180 |
190 |
210 |
210 |
210 |
255 |
|
|
K |
521 |
539 |
569 |
584 |
609 |
639 |
654 |
704 |
744 |
784 |
819 |
|
|
KB |
591 |
609 |
659 |
674 |
699 |
734 |
749 |
799 |
839 |
879 |
934 |
|
|
KM(LB) |
207 |
225 |
255 |
270 |
295 |
325 |
340 |
390 |
430 |
470 |
505 |
|
www.gelufu.com

|
|
Y263 |
Y271 |
Y280 |
Y290S |
Y290L |
Y2100L |
Y2112M |
Y2132S |
Y2132M |
Y2132L |
Y2160M |
|
|
G(AC) |
130 |
145 |
175 |
195 |
195 |
215 |
240 |
275 |
275 |
275 |
330 |
|
|
G1(AD) |
70 |
80 |
145 |
155 |
155 |
180 |
190 |
210 |
210 |
210 |
255 |
|
|
K |
519 |
537 |
567 |
582 |
607 |
637 |
652 |
702 |
742 |
782 |
817 |
|
|
KB |
589 |
607 |
657 |
672 |
697 |
732 |
747 |
797 |
837 |
877 |
932 |
|
|
KM(LB) |
207 |
225 |
255 |
270 |
295 |
325 |
340 |
390 |
430 |
470 |
505 |
|

|
|
Y263 |
Y271 |
Y280 |
Y290S |
Y290L |
Y2100L |
Y2112M |
Y2132S |
Y2132M |
Y2132L |
Y2160M |
|
|
G(AC) |
130 |
145 |
175 |
195 |
195 |
215 |
240 |
275 |
275 |
275 |
330 |
|
|
G1(AD) |
70 |
80 |
145 |
155 |
155 |
180 |
190 |
210 |
210 |
210 |
255 |
|
|
K |
519 |
537 |
567 |
582 |
607 |
637 |
652 |
702 |
742 |
782 |
817 |
|
|
KB |
589 |
607 |
657 |
672 |
697 |
732 |
747 |
797 |
837 |
877 |
932 |
|
|
KM(LB) |
207 |
225 |
255 |
270 |
295 |
325 |
340 |
390 |
430 |
470 |
505 |
|

|
|
Y263 |
Y271 |
Y280 |
Y290S |
Y290L |
Y2100L |
Y2112M |
Y2132S |
Y2132M |
Y2132L |
Y2160M |
|
|
G(AC) |
130 |
145 |
175 |
195 |
195 |
215 |
240 |
275 |
275 |
275 |
330 |
|
|
G1(AD) |
70 |
80 |
145 |
155 |
155 |
180 |
190 |
210 |
210 |
210 |
255 |
|
|
K |
519 |
537 |
567 |
582 |
607 |
637 |
652 |
702 |
742 |
782 |
817 |
|
|
KB |
589 |
607 |
657 |
672 |
697 |
732 |
747 |
797 |
837 |
877 |
932 |
|
|
KM(LB) |
207 |
225 |
255 |
270 |
295 |
325 |
340 |
390 |
430 |
470 |
505 |
|