gelufu.com.cn

|
|
|
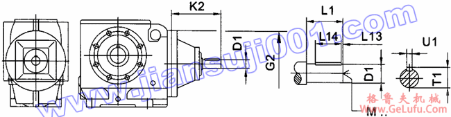
G2 |
K2 |
D1 |
L1 |
L13 |
L14 |
T1 |
U1 |
M |
|
JRTS37
JRTS47
JRTS57 |
AD1 |
120 |
102 |
16 |
40 |
4 |
32 |
18 |
5 |
M5 |
|
AD2 |
130 |
19 |
40 |
4 |
32 |
21.5 |
6 |
M6 | ||
|
JRTS67 |
AD2 |
160 |
123 |
19 |
40 |
4 |
32 |
21.5 |
6 |
M6 |
|
AD3 |
159 |
24 |
50 |
5 |
40 |
27 |
8 |
M8 | ||
|
JRTS77 |
AD2 |
200 |
116 |
19 |
40 |
4 |
32 |
21.5 |
6 |
M6 |
|
AD3 |
151 |
24 |
50 |
5 |
40 |
27 |
8 |
M8 | ||
|
AD4 |
224 |
38 |
80 |
5 |
70 |
41 |
10 |
M12 | ||
|
JRTS87 |
AD2 |
250 |
111 |
42 |
40 |
4 |
32 |
21.5 |
6 |
M6 |
|
AD3 |
156 |
28 |
60 |
5 |
50 |
31 |
8 |
M10 | ||
|
AD4 |
219 |
38 |
80 |
5 |
70 |
41 |
10 |
M12 | ||
|
AD5 |
292 |
42 |
110 |
10 |
70 |
45 |
12 |
M16 | ||
|
JRTS97 |
AD3 |
300 |
151 |
28 |
60 |
5 |
50 |
31 |
8 |
M10 |
|
AD4 |
214 |
38 |
80 |
5 |
70 |
41 |
10 |
M12 | ||
|
AD5 |
287 |
42 |
110 |
10 |
70 |
45 |
12 |
M16 | ||
|
AD6 |
327 |
48 |
110 |
10 |
80 |
51.5 |
14 |
M16 |