您好,欢迎进入格鲁夫机械设备制造有限公司官网!
减速机|丝杆升降机|减速电机|行业专用减速机|减速机配件|减速机厂|丝杆升降机厂|转向器厂

联系我们

邮箱:china@gelufu.com
电话:0312-6784766
在线咨询

减速电机

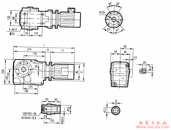
GKA67型斜齿轮弧齿锥齿轮减速电机安装结构图尺寸

发布日期:2023-12-28 19:37 浏览次数:

GKA67型斜齿轮弧齿锥齿轮减速电机安装结构图尺寸(图1) QQ:20275456

GKA67型斜齿轮弧齿锥齿轮减速电机安装结构图尺寸 格鲁夫机械

GKA67型斜齿轮弧齿锥齿轮减速电机安装结构图尺寸(图2) 格鲁夫机械

法兰联接式(Y2标准电机)
电机机座号
63
71
80
90S
90L
100L
112M
132S
AC
130
145
175
195
195
215
240
275
AD
70
80
145
155
155
180
190
210
B
44.5
50
69
69
69
81
81
93
G
140
160
200
200
200
250
250
300
L1
207
225
255
270
295
325
340
390
L
525.5
549
598
613
638
680
685
757
注:机座100L,112M,132S超过底座。

Copyright © 2023-2025 格鲁夫 版权所有 备案号:冀ICP备19023093号-2

电子营业执照图标 电子营业执照
选择语言
Hello,欢迎来咨询~