您好,欢迎进入格鲁夫机械设备制造有限公司官网!
减速机|丝杆升降机|减速电机|行业专用减速机|减速机配件|减速机厂|丝杆升降机厂|转向器厂

联系我们

邮箱:china@gelufu.com
电话:0312-6784766
在线咨询

减速电机

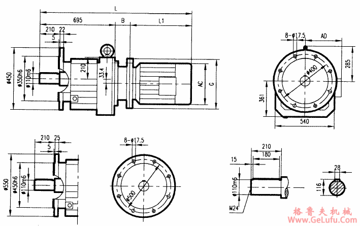
GRF167系列斜齿轮减速电机安装结构尺寸

发布日期:2023-12-28 19:37 浏览次数:

GRF167系列斜齿轮减速电机安装结构尺寸(图1) gelufu.com

GRF167系列斜齿轮减速电机安装结构尺寸 微信:grove_company

GRF167系列斜齿轮减速电机安装结构尺寸(图2) fax:0312-6784733

GRF167安装结构尺寸

电机机座号
160M
160L
180M
180L
200
225S
225M
250
280S
280M
315S
315M
AC
330
330
380
380
420
470
470
510
580
580
645
645
AD
255
255
280
280
305
335
335
370
410
410
530
530
B
115
115
115
115
160
170
170
192.5
192.5
192.5
260
260
G
350
350
350
350
400
450
450
550
550
550
660
660
L1
505
560
590
630
660
675
705
770
845
895
1100
1130
L
1410
1465
1495
1535
1610
1635
1665
1752.5
1827.5
1877.5
2150
2180

gelufu

Copyright © 2023-2025 格鲁夫 版权所有 备案号:冀ICP备19023093号-2

电子营业执照图标 电子营业执照
选择语言
Hello,欢迎来咨询~