您好,欢迎进入格鲁夫机械设备制造有限公司官网!
减速机|丝杆升降机|减速电机|行业专用减速机|减速机配件|减速机厂|丝杆升降机厂|转向器厂

联系我们

邮箱:china@gelufu.com
电话:0312-6784766
在线咨询

减速电机

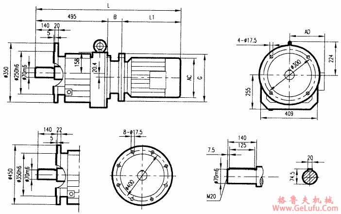
GRF107系列斜齿轮减速电机安装结构尺寸

发布日期:2023-12-28 19:37 浏览次数:

GRF107系列斜齿轮减速电机安装结构尺寸(图1) fax:0312-6784733

GRF107系列斜齿轮减速电机安装结构尺寸 格鲁夫机械

GRF107系列斜齿轮减速电机安装结构尺寸(图2)

www.gelufu.com.cn

GRF107安装结构尺寸

电机机座号
100L
112M
132S
132M
160M
160L
180M
180L
200
225S
225M
AC
215
240
275
275
330
330
380
380
420
470
470
AD
180
190
210
210
255
255
280
280
305
335
335
B
68
68
106
106
126
126
126
126
140
170
170
G
250
250
300
300
350
350
350
350
400
450
450
L1
325
340
390
430
505
560
590
630
660
675
705
L
888
903
991
1031
1126
1181
1211
1251
1295
1340
1370
gelufu.com.cn

Copyright © 2023-2025 格鲁夫 版权所有 备案号:冀ICP备19023093号-2

电子营业执照图标 电子营业执照
选择语言
Hello,欢迎来咨询~