您好,欢迎进入格鲁夫机械设备制造有限公司官网!
减速机|丝杆升降机|减速电机|行业专用减速机|减速机配件|减速机厂|丝杆升降机厂|转向器厂

联系我们

邮箱:china@gelufu.com
电话:0312-6784766
在线咨询

减速电机

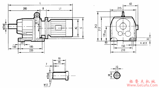
GR67系列斜齿轮减速电机安装结构尺寸

发布日期:2023-12-28 19:37 浏览次数:

GR67系列斜齿轮减速电机安装结构尺寸(图1) www.gelufu.com

GR67系列斜齿轮减速电机安装结构尺寸 传真:0312-6784733

GR67系列斜齿轮减速电机安装结构尺寸(图2) mail:china@gelufu.com

GR67安装结构尺寸

电机机座号
63
71
80
90S
90L
100L
112M
132S
132M
AC
130
145
175
195
195
215
240
275
275
AD
70
80
145
155
155
180
190
210
210
B
44.5
50
69
69
69
81
81
93
93
G
140
160
200
200
200
250
250
300
300
L1
207
225
255
270
295
325
340
390
430
L
531.5
555
604
619
644
686
701
763
803.5
注:机座100L,112M,132S,132M超过底座。

Copyright © 2023-2025 格鲁夫 版权所有 备案号:冀ICP备19023093号-2

电子营业执照图标 电子营业执照
选择语言
Hello,欢迎来咨询~